

<!DOCTYPE html>
<html lang="ru-UZ">
<head>
    
   <!-- Global site tag (gtag.js) - Google Analytics -->
   <script async src="https://www.googletagmanager.com/gtag/js?id=UA-2682682-1"></script>
   <script>
      window.dataLayer = window.dataLayer || [];
      function gtag() { dataLayer.push(arguments); }
      gtag('js', new Date());
      gtag('config', 'UA-2682682-1');
   </script>

    <title>&nbsp;119-сон 14.06.2010.&nbsp;Иссиқлик энергиясини ва иссиқлик элтувчиларни ҳисобга олиш қоидаларини тасдиқлаш ҳақида</title>
    
<meta charset="utf-8" />
<meta name="viewport" content="width=device-width, initial-scale=1">
<meta name="google" content="notranslate">
<meta http-equiv="x-ua-compatible" content="ie=edge">
    <link href="/bundle/css2?v=hfXMtIpJSTsgRI6noMnjaAUnuQ3C3QYLsi_M8Iq_Lso1" rel="stylesheet"/>

    <script src="/bundle/js2?v=QraD5bV-4TFMZdAP5vDS2YO37mUOx2pgM4omse-fwOY1"></script>

    <link href="/bundle/css_actform?v=UCQPLOEcZzhxLmdLTH4gF1wWVdHAhCsIvGpDRSDo5vA1" rel="stylesheet"/>

    
    <script type="text/javascript" src="https://www.google.com/recaptcha/api.js?onload=onloadCallback&render=explicit" async defer></script>
    
    <style>
        .lx_revive_adserver.lx_adv_doc {
            margin-left: auto;
            margin-right: auto;
            z-index: 998;
        }

        #lx_gte {
            line-height: 1;
            background-color: #0064A9;
            border: solid 4px #0064A9;
            border-radius: 4px;
            padding: 2px 4px 0;
            margin: 0 0 0 4px;
        }

            #lx_gte img {
                max-width: 19px;
            }

            #lx_gte #google_translate_element {
                margin-bottom: 4px;
            }

            #lx_gte .lx_ot {
                font-size: 12px;
                color: #fff;
                text-align: center;
            }

            #lx_gte .goog-te-gadget-simple {
                width: 100%;
                padding: 2px 1px 2.5px 1px !important;
            }

                #lx_gte .goog-te-gadget-simple > span {
                    display: inline-block;
                }

                    #lx_gte .goog-te-gadget-simple > span > a {
                        display: inline-block;
                        margin: 0;
                    }

                        #lx_gte .goog-te-gadget-simple > span > a > span {
                            display: none;
                        }

                            #lx_gte .goog-te-gadget-simple > span > a > span:first-of-type {
                                display: inline;
                            }

                #lx_gte .goog-te-gadget-simple:hover {
                    color: #fff;
                    background-color: #0064A9;
                }

                    #lx_gte .goog-te-gadget-simple:hover a {
                        color: #fff;
                        background-color: #0064A9;
                        text-decoration: none;
                    }

        .toc_show {
            display: block !important;
        }

            .toc_show .fas {
                display: none !important;
            }

        .toc_hide {
            display: none !important;
        }

        .show_context {
            background-color: #FFFF00;
            color: inherit;
        }

        .act_warning {
            color: red;
        }

        .lx_date_ddm {
            padding: 0 !important;
            width: 170px !important;
            max-height: 70vh !important;
            overflow-y: auto !important;
        }

            .lx_date_ddm > div {
                padding: 5px 20px !important;
                margin-bottom: 0 !important;
            }

        .lx_date_selected {
            cursor: default;
            color: gray;
        }

        .lx_date_link:hover {
            cursor: pointer;
            background: #0064a9;
            color: #fff;
        }

        .docContentHeader__item-link .icon {
            height: 25px;
            fill: #0064a9;
        }

            .docContentHeader__item-link .icon.sm {
                height: 17px;
            }

        .docContentHeader__item-link:hover .icon {
            fill: #fff;
        }

        .lx_text_on_other_lang {
            margin: 12px 0 8px 0;
            padding: 8px 16px;
            color: black;
            background-color: #fef1e1;
            font-style: italic;
        }

        #lxPlayButton {
            display: none;
            position: absolute;
            background-color: #007bff;
            color: white;
            border: none;
            border-radius: 5px;
            cursor: pointer;
            font-size: 18px;
            width: 32px;
            height: 32px;
            margin: 0;
            padding: 0;
            z-index: 1000;
        }

            #lxPlayButton:focus {
                outline: none;
            }

        #divCont a.lx_next_ver {
            margin: 4px 0px;
            padding: 4px 16px;
            color: #ffffff;
            background-color: #0064a9;
            border-radius: 16px;
            display: inline-block;
            text-align: center;
            text-indent: initial;
        }

            #divCont a.lx_next_ver:hover {
                color: #ffffff;
            }

        @media (max-width:720px) {
            #divCont a.lx_next_ver {
                display: block;
            }
        }
    </style>

    
    <style>
        /*#divCont > div {
            overflow-x: auto;
            max-width: calc(100vw - 42px);
            padding-right: 30px;
        }*/

        /* .TABLE_STD, .BY_DEFAULT {
            overflow-y: auto;
            max-height: 80vh;
        }*/
    </style>
    
</head>
<body class="sidebar-show">
    
    <div class="wrapper">
        
        <div id="lx_adv_doc" class="lx_revive_adserver lx_adv_doc">
            

<script type='text/javascript'><!--//<![CDATA[
    var m3_u = (location.protocol == 'https:' ? 'https://rk.adolatmarkazi.uz/www/delivery/ajs.php' : 'http://rk.adolatmarkazi.uz/www/delivery/ajs.php');
    var m3_r = Math.floor(Math.random() * 99999999999);
    if (!document.MAX_used) document.MAX_used = ',';
    document.write("<scr" + "ipt type='text/javascript' src='" + m3_u);
    document.write("?zoneid=6");
    document.write('&amp;cb=' + m3_r);
    if (document.MAX_used != ',') document.write("&amp;exclude=" + document.MAX_used);
    document.write(document.charset ? '&amp;charset=' + document.charset : (document.characterSet ? '&amp;charset=' + document.characterSet : ''));
    document.write("&amp;loc=" + escape(window.location));
    if (document.referrer) document.write("&amp;referer=" + escape(document.referrer));
    if (document.context) document.write("&context=" + escape(document.context));
    document.write("'><\/scr" + "ipt>");
    //]]>--></script>

        </div>
        
        <header id="doc_header" class="header">
            <div class="header__top">
                <div class="container">
                    <div id="lx_lact_num_top">
                        
                        14.06.2010 йилдаги 119-сон
                    </div>
                    <div class="header__top-right">
                        <div class="header__icons">
                            
                            <div class="header__icon">
                                <a target="_blank" href="https://t.me/lexuzofficial"><i class="fab fa-telegram-plane"></i></a>
                            </div>
                            <div class="header__icon">
                                <a target="_blank" href="https://www.facebook.com/minjustuz"><i class="fab fa-facebook-f"></i></a>
                            </div>
                            <div class="header__icon">
                                <a target="_blank" href="https://www.instagram.com/adliyanews/"><i class="fab fa-instagram-square"></i></a>
                            </div>
                            <div class="header__icon">
                                <a target="_blank" href="https://www.youtube.com/c/adliya"><i class="fab fa-youtube"></i></a>
                            </div>
                            
                        </div>
                    </div>
                </div>
            </div>
            <div class="header__bottom">
                <div class="container">
                    <div class="header__bottom-left w-100 skiptranslate">
                        <a class="header__logo" href="/">
                            <img src="/assets/img/lex_uz.svg">
                        </a>
                        <div class="docBody__content ml-4 docBody_top-nav">
                            <div class="docContentHeader">
                                <div class="docContentHeader__item docContentHeader__item-mobile-left docContentHeader__item--action">
                                    
                                    <div class="docContentHeader__item-link lx_border_left" id="docContent__sideBar-show" title="Показать содержание">
                                        <i class="fas fa-bars"></i>
                                    </div>
                                    <div class="docContentHeader__item-link" onclick="addToFavorite()" title="Добавить в избранное">
                                        <i class="far fa-star"></i>
                                    </div>
                                    
                                    <div class="dropdown docContentHeader__item-link-dropdown">
                                        <div class="docContentHeader__item-link" id="dropdownMenuButton_t" title="Дополнительные модули" data-toggle="dropdown" aria-haspopup="true" aria-expanded="false">
                                            <i class="fas fa-tags"></i>
                                        </div>
                                        <div class="dropdown-menu" aria-labelledby="dropdownMenuButton_t" id="t_dropdown_check">
                                            <div class="dropdown-menu__item">
                                                <div class="custom-control custom-checkbox stopProp">
                                                    <input class="custom-control-input" id="t_checkAll" type="checkbox" onclick="clickAllChk('t_checkAll', this,'t','b')">
                                                    <label class="custom-control-label" for="t_checkAll"></label>
                                                </div>
                                                Все
                                            </div>
                                            <div class="dropdown-menu__item">
                                                <div class="custom-control custom-checkbox stopProp">
                                                    <input class="custom-control-input" id="t_3935" type="checkbox" onclick="hideItem(this)" checked="checked">
                                                    <label class="custom-control-label" for="t_3935"></label>
                                                </div>
                                                Ссылка на последующую редакцию
                                            </div>
                                            <div class="dropdown-menu__item">
                                                <div class="custom-control custom-checkbox stopProp">
                                                    <input class="custom-control-input" id="t_3934" type="checkbox" onclick="hideItem(this)" checked="checked">
                                                    <label class="custom-control-label" for="t_3934"></label>
                                                </div>
                                                Ссылка на предыдущую редакцию
                                            </div>
                                            <div class="dropdown-menu__item">
                                                <div class="custom-control custom-checkbox stopProp">
                                                    <input class="custom-control-input" id="t_5987" type="checkbox" onclick="hideItem(this)">
                                                    <label class="custom-control-label" for="t_5987"></label>
                                                </div>
                                                Индексация по ОКОЗ
                                            </div>
                                            <div class="dropdown-menu__item">
                                                <div class="custom-control custom-checkbox stopProp">
                                                    <input class="custom-control-input" id="t_5988" type="checkbox" onclick="hideItem(this)">
                                                    <label class="custom-control-label" for="t_5988"></label>
                                                </div>
                                                Индексация по ТСЗ
                                            </div>
                                            <div class="dropdown-menu__item">
                                                <div class="custom-control custom-checkbox stopProp">
                                                    <input class="custom-control-input" id="t_1104" type="checkbox" onclick="hideItem(this)" checked="checked">
                                                    <label class="custom-control-label" for="t_1104"></label>
                                                </div>
                                                Источники изменений
                                            </div>
                                            <div class="dropdown-menu__item">
                                                <div class="custom-control custom-checkbox stopProp">
                                                    <input class="custom-control-input" id="t_1089" type="checkbox" onclick="hideItem(this)" checked="checked">
                                                    <label class="custom-control-label" for="t_1089"></label>
                                                </div>
                                                Источники опубликования
                                            </div>
                                        </div>
                                    </div>
                                    <div class="docContentHeader__item-link" id="t_btn_lex_comment" onclick="toggleLexComments()" title="LexUZ шарҳи">
                                        <i class="fas fa-file-signature"></i>
                                    </div>
                                    
                                    <div class="docContentHeader__item-link" onclick="downloadDoc()" title="Сохранить в MS Word">
                                        <svg class="icon">
                                            <use xlink:href="/assets/img/sprite2.svg#word"></use></svg>
                                    </div>
                                    
                                    <div class="docContentHeader__item-link lx_border_right" onclick="window.print()" title="Версия для печати">
                                        <i class="fas fa-print"></i>
                                    </div>
                                    
                                </div>
                                <div class="docContentHeader__item docContentHeader__item-mobile-right skiptranslate">
                                    <div class="dropdown">
                                        <div class="docContentHeader__item-link lx_border_both mr-1" data-toggle="dropdown">
                                            <i class="fas fa-eye"></i>
                                        </div>
                                        <div class="dropdown-menu drop_menu">
                                            <h6 class="show_size">Вид</h6>
                                            <div class="row" style="margin-right: 1.3rem; margin-left: 0rem;">
                                                <div class="col-4">
                                                    <button class="btnA btn__left" onclick="toggleTheme('light');">A</button>
                                                </div>
                                                <div class="col-4">
                                                    <button class="btnA btn__cebter" onclick="toggleTheme('grey');">A</button>
                                                </div>
                                                <div class="col-4">
                                                    <button class="btnA btn__reght" onclick="toggleTheme('dark');">A</button>
                                                </div>
                                            </div>
                                        </div>
                                    </div>
                                    <div class="docContentHeader__item-link lx_border_left" onclick="openUrl('/ru/docs/1771807')" title="На русском">Рус</div><div class="docContentHeader__item-link active" title="Ўзбекча">Ўзб</div><div class="docContentHeader__item-link" onclick="openUrl('/ru/docs/-1771804')" title="O'zbekcha">O’zb</div><div class="docContentHeader__item-link-language lx_border_right" onclick="openTwoLang(1)" title="На двух языках">Ўзб|Рус</div>
                                    
                                    <div id="lx_gte">
                                        <div id="google_translate_element"></div>
                                        <div class="lx_ot skiptranslate">ONLINE TRANSLATE</div>
                                    </div>
                                    
                                </div>
                            </div>
                        </div>
                    </div>
                </div>
            </div>
        </header>
        
        <div id="docBody__sidebar" class="docBody__sidebar">
            <div class="docBody__sidebar-em">
                <div class="docNavbar">
                    <div class="docBody__search input-group">
                        <input id="search-criteria" class="form-control" type="text" placeholder="Поиск">
                        <div class="input-group-append">
                            <button class="btn" type="button" onclick="clearSearch();" title="Очистить поиск"><i class="fas fa-times"></i></button>
                        </div>
                    </div>
                    
                    <div class="lx_revive_adserver">
                        

<script type='text/javascript'><!--//<![CDATA[
    var m3_u = (location.protocol == 'https:' ? 'https://rk.adolatmarkazi.uz/www/delivery/ajs.php' : 'http://rk.adolatmarkazi.uz/www/delivery/ajs.php');
    var m3_r = Math.floor(Math.random() * 99999999999);
    if (!document.MAX_used) document.MAX_used = ',';
    document.write("<scr" + "ipt type='text/javascript' src='" + m3_u);
    document.write("?zoneid=7");
    document.write('&amp;cb=' + m3_r);
    if (document.MAX_used != ',') document.write("&amp;exclude=" + document.MAX_used);
    document.write(document.charset ? '&amp;charset=' + document.charset : (document.characterSet ? '&amp;charset=' + document.characterSet : ''));
    document.write("&amp;loc=" + escape(window.location));
    if (document.referrer) document.write("&amp;referer=" + escape(document.referrer));
    if (document.context) document.write("&context=" + escape(document.context));
    document.write("'><\/scr" + "ipt>");
    //]]>--></script>

                    </div>
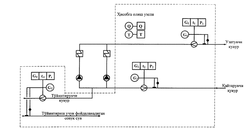
                    <div id="dvToc" style="margin: 5px;"><div class="docNavbar__item"><div class="docNavbar__item-link search-toggle" data-toggle="collapse" href="#collapse1771856" role="button" aria-expanded="false" aria-controls="collapse1771856"><div class="docNavbar__item-link-title"><a class="stopProp search-text" href="javascript:scrollText('1771856');">ИССИҚЛИК ЭНЕРГИЯСИНИ ВА ИССИҚЛИК ЭЛТУВЧИЛАРНИ ҲИСОБГА ОЛИШ ҚОИДАЛАРИНИ ТАСДИҚЛАШ ҳАҚИДА</a></div></div></div><div class="docNavbar__item"><div class="docNavbar__item-link search-toggle" data-toggle="collapse" href="#collapse1771931" role="button" aria-expanded="false" aria-controls="collapse1771931"><div class="docNavbar__item-link-title"><a class="stopProp search-text" href="javascript:scrollText('1771931');">ИЛОВА<br />Иссиқлик энергиясини ва иссиқлик элтувчиларни ҳисобга олиш ҚОИДАЛАРИ</a></div></div></div><div class="docNavbar__item"><div class="docNavbar__item-link search-toggle" data-toggle="collapse" href="#collapse1771954" role="button" aria-expanded="false" aria-controls="collapse1771954"><div class="docNavbar__item-link-title"><a class="stopProp search-text" href="javascript:scrollText('1771954');">I. УМУМИЙ ҚОИДАЛАР</a></div></div></div><div class="docNavbar__item"><div class="docNavbar__item-link search-toggle" data-toggle="collapse" href="#collapse1772038" role="button" aria-expanded="false" aria-controls="collapse1772038"><div class="docNavbar__item-link-title"><a class="stopProp search-text" href="javascript:scrollText('1772038');">II. ЯКУНИЙ ҚОИДА</a></div></div></div><div class="docNavbar__item"><div class="docNavbar__item-link search-toggle" data-toggle="collapse" href="#collapse1772087" role="button" aria-expanded="false" aria-controls="collapse1772087"><div class="docNavbar__item-link-title"><a class="stopProp search-text" href="javascript:scrollText('1772087');">1-ИЛОВА<br />Иссиқлик энергиясини ва иссиқлик элтувчиларни ҳисобга олиш услубиёти</a></div></div></div><div class="docNavbar__item"><div class="docNavbar__item-link search-toggle" data-toggle="collapse" href="#collapse1772095" role="button" aria-expanded="false" aria-controls="collapse1772095"><div class="docNavbar__item-link-title"><a class="stopProp search-text" href="javascript:scrollText('1772095');">I. ИССИҚЛИК МАНБАИДАГИ ИССИҚЛИК ЭНЕРГИЯСИНИ ВА ИССИҚЛИК ЭЛТУВЧИЛАРНИ ҲИСОБГА ОЛИШ</a></div></div></div><div class="docNavbar__item"><div class="docNavbar__item-link search-toggle" data-toggle="collapse" href="#collapse1772099" role="button" aria-expanded="false" aria-controls="collapse1772099"><div class="docNavbar__item-link-title"><a class="stopProp search-text" href="javascript:scrollText('1772099');">1-§. УМУМИЙ ҚОИДАЛАР</a></div></div></div><div class="docNavbar__item"><div class="docNavbar__item-link search-toggle" data-toggle="collapse" href="#collapse1772133" role="button" aria-expanded="false" aria-controls="collapse1772133"><div class="docNavbar__item-link-title"><a class="stopProp search-text" href="javascript:scrollText('1772133');">2-§. СУВЛИ ИССИҚЛИК ТАЪМИНОТИ ТИЗИМЛАРГА ЕТКАЗИБ БЕРИЛГАН ИССИҚЛИК ЭНЕРГИЯСИ ВА ИССИҚЛИК ЭЛТУВЧИЛАРНИНГ МИҚДОРИНИ АНИҚЛАШ</a></div></div></div><div class="docNavbar__item"><div class="docNavbar__item-link search-toggle" data-toggle="collapse" href="#collapse1772772" role="button" aria-expanded="false" aria-controls="collapse1772772"><div class="docNavbar__item-link-title"><a class="stopProp search-text" href="javascript:scrollText('1772772');">3-§. БУҒЛИ ИССИҚЛИК ТАЪМИНОТИ ТИЗИМЛАРИГА ЕТКАЗИБ БЕРИЛГАН ИССИҚЛИК ЭНЕРГИЯСИ ВА ИССИҚЛИК ЭЛТУВЧИЛАРНИНГ МИҚДОРИНИ АНИҚЛАШ</a></div></div></div><div class="docNavbar__item"><div class="docNavbar__item-link search-toggle" data-toggle="collapse" href="#collapse1772825" role="button" aria-expanded="false" aria-controls="collapse1772825"><div class="docNavbar__item-link-title"><a class="stopProp search-text" href="javascript:scrollText('1772825');">II. ИССИҚЛИК ИСТЕЪМОЛЧИСИДА ИССИҚЛИК ЭНЕРГИЯСИ ВА ИССИҚЛИК ЭЛТУВЧИЛАРНИ ҲИСОБГА ОЛИШ</a></div></div></div><div class="docNavbar__item"><div class="docNavbar__item-link search-toggle" data-toggle="collapse" href="#collapse1772827" role="button" aria-expanded="false" aria-controls="collapse1772827"><div class="docNavbar__item-link-title"><a class="stopProp search-text" href="javascript:scrollText('1772827');">1-§. УМУМИЙ ҚОИДАЛАР</a></div></div></div><div class="docNavbar__item"><div class="docNavbar__item-link search-toggle" data-toggle="collapse" href="#collapse1772856" role="button" aria-expanded="false" aria-controls="collapse1772856"><div class="docNavbar__item-link-title"><a class="stopProp search-text" href="javascript:scrollText('1772856');">2-§. СУВЛИ ИССИҚЛИК ИСТЕЪМОЛИ ТИЗИМЛАРИДА ҚАБУЛ ҚИЛИНГАН ИССИҚЛИК ЭНЕРГИЯСИНИ ВА ИССИҚЛИК ЭЛТУВЧИЛАРНИНГ МИҚДОРИНИ АНИҚЛАШ</a></div></div></div><div class="docNavbar__item"><div class="docNavbar__item-link search-toggle" data-toggle="collapse" href="#collapse1775358" role="button" aria-expanded="false" aria-controls="collapse1775358"><div class="docNavbar__item-link-title"><a class="stopProp search-text" href="javascript:scrollText('1775358');">3-§. БУҒЛИ ИССИҚЛИК ИСТЕЪМОЛИНИНГ ТИЗИМЛАРИДА ҚАБУЛ ҚИЛИНГАН ИССИҚЛИК ЭНЕРГИЯСИ ВА ИССИҚЛИК ЭЛТУВЧИЛАРНИ АНИҚЛАШ</a></div></div></div><div class="docNavbar__item"><div class="docNavbar__item-link search-toggle" data-toggle="collapse" href="#collapse1775449" role="button" aria-expanded="false" aria-controls="collapse1775449"><div class="docNavbar__item-link-title"><a class="stopProp search-text" href="javascript:scrollText('1775449');">2-ИЛОВА<br />Шартли белгилар </a></div></div></div></div>
                </div>
            </div>
        </div>
        
        <main class="main" id="doc_main">
            <div class="container">
                <div class="docHeader skiptranslate">
                    <div class="docHeader__col docHeader__col__1">
                        <div class="docHeader__item d-flex">
                            <div class="docHeader__item-label">Электр энергетикада назорат бўйича давлат инспекциясининг қоидалари, 14.06.2010 йилдаги 119-сон</div>
                        </div>
                    </div>
                    <div class="docHeader__col docHeader__col__2">
                        <div class="docHeader__item d-flex">
                            <div class="docHeader__item-label" style="width: 60%">Дата вступления в силу</div>
                            <div class="docHeader__item-value d-flex" style="width: 40%;">07.07.2010</div>
                        </div>
                    </div>
                    <div class="docHeader__col docHeader__col__3">
                        <div class="docHeader__item d-flex">
                            <div style="width: 60%">
                                <div class="dropdown mr-3">
                                    <a role="button" data-toggle="dropdown" aria-expanded="false">Дополни&shy;тельная информация</a>
                                    <div class="dropdown-menu" style="margin-top: -2px;">
                                        <a class="dropdown-item" onclick="showAddCard(1)">Основные реквизиты</a>
                                        <a class="dropdown-item" onclick="showAddCard(2)">Кодификация</a>
                                        <a class="dropdown-item" onclick="showAddCard(3)">Пересмотренные акты</a>
                                        <a class="dropdown-item" onclick="showAddCard(4)">Акты основания для пересмотра</a>
                                        <a class="dropdown-item" onclick="showAddCard(5)">Корреспонденты</a>
                                        <a class="dropdown-item" onclick="showAddCard(6)">Респонденты</a>
                                    </div>
                                </div>
                            </div>
                            <div style="width: 40%">
                                <div class="dropdown">
                                    <a role="button" data-toggle="dropdown" aria-expanded="false"><i class="fa fa-share-alt mr-2"></i>Поделиться</a>
                                    <div class="dropdown-menu" style="margin-top: -2px;">
                                        <a class="dropdown-item" target="_blank" href="https://telegram.me/share/url?url=http://lex.uz//ru/docs/1771804 Иссиқлик энергиясини ва иссиқлик элтувчиларни ҳисобга олиш қоидаларини тасдиқлаш ҳақида">Telegram</a>
                                        <a class="dropdown-item" target="_blank" href="https://www.facebook.com/sharer/sharer.php?u=http://lex.uz//ru/docs/1771804">Facebook</a>
                                        <a class="dropdown-item" target="_blank" href="">Twitter</a>
                                        <a class="dropdown-item" target="_blank" href="">Instagram</a>
                                    </div>
                                </div>
                            </div>
                        </div>
                    </div>
                </div>
            </div>
            <div class="container docBody-container">
                <div class="docBody d-flex">
                    <div class="docBody__content">
                        <div class="docContentHeader docBody_bottom-nav">
                            <div class="docContentHeader__item docContentHeader__item-mobile-left docContentHeader__item--action">
                                <div class="docContentHeader__item-link lx_border_left" onclick="addToFavorite()" title="Добавить в избранное">
                                    <i class="far fa-star"></i>
                                </div>
                                
                                <div class="dropdown docContentHeader__item-link-dropdown">
                                    <div class="docContentHeader__item-link" id="dropdownMenuButton_b" title="Дополнительные модули" data-toggle="dropdown" aria-haspopup="true" aria-expanded="false">
                                        <i class="fas fa-tags"></i>
                                    </div>
                                    <div class="dropdown-menu" aria-labelledby="dropdownMenuButton_b" id="b_dropdown_check">
                                        <div class="dropdown-menu__item">
                                            <div class="custom-control custom-checkbox">
                                                <input class="custom-control-input" id="b_checkAll" type="checkbox" onclick="clickAllChk('b_checkAll', this,'b','t')">
                                                <label class="custom-control-label" for="b_checkAll"></label>
                                            </div>
                                            Все
                                        </div>
                                        <div class="dropdown-menu__item">
                                            <div class="custom-control custom-checkbox">
                                                <input class="custom-control-input" id="b_3935" type="checkbox" onclick="hideItem(this)" checked="checked">
                                                <label class="custom-control-label" for="b_3935"></label>
                                            </div>
                                            Ссылка на последующую редакцию
                                        </div>
                                        <div class="dropdown-menu__item">
                                            <div class="custom-control custom-checkbox">
                                                <input class="custom-control-input" id="b_3934" type="checkbox" onclick="hideItem(this)" checked="checked">
                                                <label class="custom-control-label" for="b_3934"></label>
                                            </div>
                                            Ссылка на предыдущую редакцию
                                        </div>
                                        <div class="dropdown-menu__item">
                                            <div class="custom-control custom-checkbox">
                                                <input class="custom-control-input" id="b_5987" type="checkbox" onclick="hideItem(this)">
                                                <label class="custom-control-label" for="b_5987"></label>
                                            </div>
                                            Индексация по ОКОЗ
                                        </div>
                                        <div class="dropdown-menu__item">
                                            <div class="custom-control custom-checkbox">
                                                <input class="custom-control-input" id="b_5988" type="checkbox" onclick="hideItem(this)">
                                                <label class="custom-control-label" for="b_5988"></label>
                                            </div>
                                            Индексация по ТСЗ
                                        </div>
                                        <div class="dropdown-menu__item">
                                            <div class="custom-control custom-checkbox">
                                                <input class="custom-control-input" id="b_1104" type="checkbox" onclick="hideItem(this)" checked="checked">
                                                <label class="custom-control-label" for="b_1104"></label>
                                            </div>
                                            Источники изменений
                                        </div>
                                        <div class="dropdown-menu__item">
                                            <div class="custom-control custom-checkbox">
                                                <input class="custom-control-input" id="b_1089" type="checkbox" onclick="hideItem(this)" checked="checked">
                                                <label class="custom-control-label" for="b_1089"></label>
                                            </div>
                                            Источники опубликования
                                        </div>
                                    </div>
                                </div>
                                <div class="docContentHeader__item-link" id="b_btn_lex_comment" onclick="toggleLexComments()">
                                    <i class="fas fa-file-signature"></i>
                                </div>
                                
                                <div class="docContentHeader__item-link" onclick="downloadDoc()" title="Сохранить в MS Word">
                                    <svg class="icon sm">
                                        <use xlink:href="/assets/img/sprite2.svg#word"></use></svg>
                                </div>
                                
                                <div class="docContentHeader__item-link lx_border_right" onclick="window.print()" title="Версия для печати">
                                    <i class="fas fa-print"></i>
                                </div>
                            </div>
                            <div class="docContentHeader__item docContentHeader__item-mobile-right skiptranslate">
                                <div class="dropdown eye_btn">
                                    <div class="docContentHeader__item-link lx_border_both mr-1" data-toggle="dropdown">
                                        <i class="fas fa-eye"></i>
                                    </div>
                                    <div class="dropdown-menu drop_menu">
                                        <h6 class="show_size">Вид</h6>
                                        <div class="row" style="margin-right: 1.3rem; margin-left: 0rem;">
                                            <div class="col-4">
                                                <button class="btnA btn__left" onclick="toggleTheme('light');">A</button>
                                            </div>
                                            <div class="col-4">
                                                <button class="btnA btn__cebter" onclick="toggleTheme('grey');">A</button>
                                            </div>
                                            <div class="col-4">
                                                <button class="btnA btn__reght" onclick="toggleTheme('dark');">A</button>
                                            </div>
                                        </div>
                                    </div>
                                </div>
                                <div class="docContentHeader__item-link lx_border_left" onclick="openUrl('/ru/docs/1771807')" title="На русском">Рус</div><div class="docContentHeader__item-link active" title="Ўзбекча">Ўзб</div><div class="docContentHeader__item-link" onclick="openUrl('/ru/docs/-1771804')" title="O'zbekcha">O’zb</div><div class="docContentHeader__item-link-language lx_border_right" onclick="openTwoLang(1)" title="На двух языках">Ўзб|Рус</div>
                            </div>
                        </div>
                        <div class="docBody__container">
                            <div class="docBody__content-em" id='main_container1'>
                                
                                    <div style="background-color: #fff; padding: 16px 14px 16px 8px;">
                                        <table style="width: 100%; font-family: Arial; font-size: 14px; font-weight: bold;">
                                            <tr>
                                                <td style="width: 50%; border: 0;">
                                                    
                                                </td>
                                                <td style="width: 50%; border: 0;" align="right">
                                                    
                                                    
                                                </td>
                                            </tr>
                                            
                                        </table>
                                        <div id="mD" class="main-column document" style="margin: 0px;">
                                            <div id="divBody">
                                                <div id="divCont" style="background:#ffffff;border:none;margin:auto;"><div class="ACCEPTING_BODY lx_elem" onmousemove="lx_mo(event,1771850)"><div class="lx_elem2"><div class="lx_elem3"><span onclick="lx_sf(1771850)"><img src="/img/cmt.svg" />Предложения по документу</span><span onclick="lx_pa(1771850)"><img src="/img/vlm.svg" />Прослушать аудио</span><span onclick="lx_cl(1771850)"><img src="/img/lnk.svg" />Получить ссылку из элемента документа</span></div></div><div name="1771850" id="1771850">Электр энергетикада назорат бўйича давлат инспекцияси бошлиғининг</div></div><div class="ACT_FORM lx_elem" onmousemove="lx_mo(event,1771855)"><div class="lx_elem2"><div class="lx_elem3"><span onclick="lx_sf(1771855)"><img src="/img/cmt.svg" />Предложения по документу</span><span onclick="lx_pa(1771855)"><img src="/img/vlm.svg" />Прослушать аудио</span><span onclick="lx_cl(1771855)"><img src="/img/lnk.svg" />Получить ссылку из элемента документа</span></div></div><div name="1771855" id="1771855">Буйруғи</div></div><div class="ACT_TITLE lx_elem" onmousemove="lx_mo(event,1771856)"><div class="lx_elem2"><div class="lx_elem3"><span onclick="lx_sf(1771856)"><img src="/img/cmt.svg" />Предложения по документу</span><span onclick="lx_pa(1771856)"><img src="/img/vlm.svg" />Прослушать аудио</span><span onclick="lx_cl(1771856)"><img src="/img/lnk.svg" />Получить ссылку из элемента документа</span></div></div><div name="1771856" id="1771856">ИССИҚЛИК ЭНЕРГИЯСИНИ ВА ИССИҚЛИК ЭЛТУВЧИЛАРНИ ҲИСОБГА ОЛИШ ҚОИДАЛАРИНИ ТАСДИҚЛАШ ҳАҚИДА</div></div><div class="DEPARTMENTAL lx_elem" onmousemove="lx_mo(event,1771859)"><div class="lx_elem2"><div class="lx_elem3"><span onclick="lx_sf(1771859)"><img src="/img/cmt.svg" />Предложения по документу</span><span onclick="lx_pa(1771859)"><img src="/img/vlm.svg" />Прослушать аудио</span><span onclick="lx_cl(1771859)"><img src="/img/lnk.svg" />Получить ссылку из элемента документа</span></div></div><div name="1771859" id="1771859">[Ўзбекистон Республикаси Адлия вазирлиги томонидан техник қоидалар ва нормаларга тегишли деб топилган, 2010 йил 28 июнь 6-24/13-5638/6-сон]</div></div><div class="BY_DEFAULT lx_elem" onmousemove="lx_mo(event,1771862)"><div class="lx_elem2"><div class="lx_elem3"><span onclick="lx_sf(1771862)"><img src="/img/cmt.svg" />Предложения по документу</span><span onclick="lx_pa(1771862)"><img src="/img/vlm.svg" />Прослушать аудио</span><span onclick="lx_cl(1771862)"><img src="/img/lnk.svg" />Получить ссылку из элемента документа</span></div></div><div name="1771862" id="1771862"></div></div><div class="ACT_TEXT lx_elem" onmousemove="lx_mo(event,1771872)"><div class="lx_elem2"><div class="lx_elem3"><span onclick="lx_sf(1771872)"><img src="/img/cmt.svg" />Предложения по документу</span><span onclick="lx_pa(1771872)"><img src="/img/vlm.svg" />Прослушать аудио</span><span onclick="lx_cl(1771872)"><img src="/img/lnk.svg" />Получить ссылку из элемента документа</span></div></div><div name="1771872" id="1771872">Ўзбекистон Республикасининг «Энергиядан оқилона фойдаланиш тўғрисида»ги <a href="/ru/docs/10231">Қонунига</a> (Ўзбекистон Республикаси Олий Мажлисининг Ахборотномаси, 1997 й., 4-5 сон, 118-модда), Ўзбекистон Республикаси Вазирлар Маҳкамасининг 1992 йил 29 апрелдаги 210-сонли «Собиқ ССР Иттифоқи қонун ости ҳужжатларини қайта кўриб чиқиш бўйича ишларини ташкил этиш тўғрисида»ги <a href="/ru/docs/429475">қарорига</a> ва 2004 йил 1 мартдаги 96-сонли қарори (Ўзбекистон Республикаси қонун ҳужжатлари тўплами, 2004 й., 9-сон, 105-модда) билан тасдиқланган Электр энергетикада назорат бўйича давлат инспекцияси тўғрисидаги н<a href="/ru/docs/639966#818628">изомга</a> мувофиқ буюраман:</div></div><div class="ACT_TEXT lx_elem" onmousemove="lx_mo(event,1771873)"><div class="lx_elem2"><div class="lx_elem3"><span onclick="lx_sf(1771873)"><img src="/img/cmt.svg" />Предложения по документу</span><span onclick="lx_pa(1771873)"><img src="/img/vlm.svg" />Прослушать аудио</span><span onclick="lx_cl(1771873)"><img src="/img/lnk.svg" />Получить ссылку из элемента документа</span></div></div><div name="1771873" id="1771873">1. Иссиқлик энергиясини ва иссиқлик элтувчиларни ҳисобга олиш <a href="/ru/docs/1771804#1771927">қоидалари</a> иловага мувофиқ тасдиқлансин.</div></div><div class="ACT_TEXT lx_elem" onmousemove="lx_mo(event,1771874)"><div class="lx_elem2"><div class="lx_elem3"><span onclick="lx_sf(1771874)"><img src="/img/cmt.svg" />Предложения по документу</span><span onclick="lx_pa(1771874)"><img src="/img/vlm.svg" />Прослушать аудио</span><span onclick="lx_cl(1771874)"><img src="/img/lnk.svg" />Получить ссылку из элемента документа</span></div></div><div name="1771874" id="1771874">2. Мазкур буйруқ Ўзбекистон Республикаси Адлия вазирлигида давлат рўйхатидан ўтказилган кундан бошлаб ўн кун ўтгандан кейин кучга киради.</div></div><div class="SIGNATURE lx_elem" onmousemove="lx_mo(event,1771875)"><div class="lx_elem2"><div class="lx_elem3"><span onclick="lx_sf(1771875)"><img src="/img/cmt.svg" />Предложения по документу</span><span onclick="lx_pa(1771875)"><img src="/img/vlm.svg" />Прослушать аудио</span><span onclick="lx_cl(1771875)"><img src="/img/lnk.svg" />Получить ссылку из элемента документа</span></div></div><div name="1771875" id="1771875">Инспекция бошлиғи А. НИМАТУЛЛАЕВ</div></div><div class="ACT_ESSENTIAL_ELEMENTS lx_elem" onmousemove="lx_mo(event,1771877)"><div class="lx_elem2"><div class="lx_elem3"><span onclick="lx_sf(1771877)"><img src="/img/cmt.svg" />Предложения по документу</span><span onclick="lx_pa(1771877)"><img src="/img/vlm.svg" />Прослушать аудио</span><span onclick="lx_cl(1771877)"><img src="/img/lnk.svg" />Получить ссылку из элемента документа</span></div></div><div name="1771877" id="1771877">Тошкент ш.,</div></div><div class="ACT_ESSENTIAL_ELEMENTS lx_elem" onmousemove="lx_mo(event,1771878)"><div class="lx_elem2"><div class="lx_elem3"><span onclick="lx_sf(1771878)"><img src="/img/cmt.svg" />Предложения по документу</span><span onclick="lx_pa(1771878)"><img src="/img/vlm.svg" />Прослушать аудио</span><span onclick="lx_cl(1771878)"><img src="/img/lnk.svg" />Получить ссылку из элемента документа</span></div></div><div name="1771878" id="1771878">2010 йил 14 июнь,</div></div><div class="ACT_ESSENTIAL_ELEMENTS_NUM lx_elem" onmousemove="lx_mo(event,1771879)"><div class="lx_elem2"><div class="lx_elem3"><span onclick="lx_sf(1771879)"><img src="/img/cmt.svg" />Предложения по документу</span><span onclick="lx_pa(1771879)"><img src="/img/vlm.svg" />Прослушать аудио</span><span onclick="lx_cl(1771879)"><img src="/img/lnk.svg" />Получить ссылку из элемента документа</span></div></div><div name="1771879" id="1771879">119-сон</div></div><div class="BY_DEFAULT lx_elem" onmousemove="lx_mo(event,1771927)"><div class="lx_elem2"><div class="lx_elem3"><span onclick="lx_sf(1771927)"><img src="/img/cmt.svg" />Предложения по документу</span><span onclick="lx_pa(1771927)"><img src="/img/vlm.svg" />Прослушать аудио</span><span onclick="lx_cl(1771927)"><img src="/img/lnk.svg" />Получить ссылку из элемента документа</span></div></div><div name="1771927" id="1771927"></div></div><div class="APPL_BANNER_LANDSCAPE_TITLE lx_elem" onmousemove="lx_mo(event,1771931)"><div class="lx_elem2"><div class="lx_elem3"><span onclick="lx_sf(1771931)"><img src="/img/cmt.svg" />Предложения по документу</span><span onclick="lx_pa(1771931)"><img src="/img/vlm.svg" />Прослушать аудио</span><span onclick="lx_cl(1771931)"><img src="/img/lnk.svg" />Получить ссылку из элемента документа</span></div></div><div name="1771931" id="1771931">«Ўздавэнергоназорат» инспекцияси бошлиғининг 2010 йил 14 июндаги 119-сон <a href="/ru/docs/1771804">буйруғига</a> <br />ИЛОВА</div></div><div class="ACT_TITLE_APPL lx_elem" onmousemove="lx_mo(event,1771933)"><div class="lx_elem2"><div class="lx_elem3"><span onclick="lx_sf(1771933)"><img src="/img/cmt.svg" />Предложения по документу</span><span onclick="lx_pa(1771933)"><img src="/img/vlm.svg" />Прослушать аудио</span><span onclick="lx_cl(1771933)"><img src="/img/lnk.svg" />Получить ссылку из элемента документа</span></div></div><div name="1771933" id="1771933">Иссиқлик энергиясини ва иссиқлик элтувчиларни ҳисобга олиш</div></div><div class="ACT_FORM lx_elem" onmousemove="lx_mo(event,1771936)"><div class="lx_elem2"><div class="lx_elem3"><span onclick="lx_sf(1771936)"><img src="/img/cmt.svg" />Предложения по документу</span><span onclick="lx_pa(1771936)"><img src="/img/vlm.svg" />Прослушать аудио</span><span onclick="lx_cl(1771936)"><img src="/img/lnk.svg" />Получить ссылку из элемента документа</span></div></div><div name="1771936" id="1771936"><strong>ҚОИДАЛАРИ</strong></div></div><div class="BY_DEFAULT lx_elem" onmousemove="lx_mo(event,1771943)"><div class="lx_elem2"><div class="lx_elem3"><span onclick="lx_sf(1771943)"><img src="/img/cmt.svg" />Предложения по документу</span><span onclick="lx_pa(1771943)"><img src="/img/vlm.svg" />Прослушать аудио</span><span onclick="lx_cl(1771943)"><img src="/img/lnk.svg" />Получить ссылку из элемента документа</span></div></div><div name="1771943" id="1771943"></div></div><div class="ACT_TEXT lx_elem" onmousemove="lx_mo(event,1771951)"><div class="lx_elem2"><div class="lx_elem3"><span onclick="lx_sf(1771951)"><img src="/img/cmt.svg" />Предложения по документу</span><span onclick="lx_pa(1771951)"><img src="/img/vlm.svg" />Прослушать аудио</span><span onclick="lx_cl(1771951)"><img src="/img/lnk.svg" />Получить ссылку из элемента документа</span></div></div><div name="1771951" id="1771951">Мазкур Қоидалар Ўзбекистон Республикаси Вазирлар Маҳкамасининг 2009 йил 22 августдаги 245-сон «Электр ва иссиқлик энергиясидан фойдаланиш қоидаларини тасдиқлаш тўғрисида»ги <a href="/ru/docs/1510225">қарорига</a> мувофиқ иссиқлик энергиясини ва иссиқлик элтувчиларни ҳисобга олиш услубиётини белгилайди.</div></div><div class="TEXT_HEADER_DEFAULT lx_elem" onmousemove="lx_mo(event,1771954)"><div class="lx_elem2"><div class="lx_elem3"><span onclick="lx_sf(1771954)"><img src="/img/cmt.svg" />Предложения по документу</span><span onclick="lx_pa(1771954)"><img src="/img/vlm.svg" />Прослушать аудио</span><span onclick="lx_cl(1771954)"><img src="/img/lnk.svg" />Получить ссылку из элемента документа</span></div></div><div name="1771954" id="1771954">I. УМУМИЙ ҚОИДАЛАР</div></div><div class="ACT_TEXT lx_elem" onmousemove="lx_mo(event,1771958)"><div class="lx_elem2"><div class="lx_elem3"><span onclick="lx_sf(1771958)"><img src="/img/cmt.svg" />Предложения по документу</span><span onclick="lx_pa(1771958)"><img src="/img/vlm.svg" />Прослушать аудио</span><span onclick="lx_cl(1771958)"><img src="/img/lnk.svg" />Получить ссылку из элемента документа</span></div></div><div name="1771958" id="1771958">1. Ушбу Қоидаларда қуйидаги асосий тушунчалардан фойдаланилган:</div></div><div class="ACT_TEXT lx_elem" onmousemove="lx_mo(event,1771961)"><div class="lx_elem2"><div class="lx_elem3"><span onclick="lx_sf(1771961)"><img src="/img/cmt.svg" />Предложения по документу</span><span onclick="lx_pa(1771961)"><img src="/img/vlm.svg" />Прослушать аудио</span><span onclick="lx_cl(1771961)"><img src="/img/lnk.svg" />Получить ссылку из элемента документа</span></div></div><div name="1771961" id="1771961"><strong>иссиқлик истеъмоли тизимлари</strong> — иссиқлик юкламасининг бир ёки бир нечта турларини (иситиш, вентиляция, иссиқ сув таъминоти, технологик эҳтиёжлар) қондиришига мўлжалланган уловчи қувурлар ёки иссиқлик тармоқларига эга бўлган иссиқликни истеъмол қилиш ускуналари мажмуаси;</div></div><div class="ACT_TEXT lx_elem" onmousemove="lx_mo(event,1771966)"><div class="lx_elem2"><div class="lx_elem3"><span onclick="lx_sf(1771966)"><img src="/img/cmt.svg" />Предложения по документу</span><span onclick="lx_pa(1771966)"><img src="/img/vlm.svg" />Прослушать аудио</span><span onclick="lx_cl(1771966)"><img src="/img/lnk.svg" />Получить ссылку из элемента документа</span></div></div><div name="1771966" id="1771966"><strong>иссиқлик истеъмоли тизимларини боғлиқ бўлган уланиш схемаси </strong>— иссиқлик истеъмоли тизимини иссиқлик тармоғига уланиш схемаси, бунда иссиқлик элтувчи иссиқлик тармоғидан иссиқлик истеъмоли тизимига бевосита берилади;</div></div><div class="ACT_TEXT lx_elem" onmousemove="lx_mo(event,1771978)"><div class="lx_elem2"><div class="lx_elem3"><span onclick="lx_sf(1771978)"><img src="/img/cmt.svg" />Предложения по документу</span><span onclick="lx_pa(1771978)"><img src="/img/vlm.svg" />Прослушать аудио</span><span onclick="lx_cl(1771978)"><img src="/img/lnk.svg" />Получить ссылку из элемента документа</span></div></div><div name="1771978" id="1771978"><strong>иссиқлик истеъмоли тизимларини боғлиқ бўлмаган уланиш схемаси</strong> — иссиқлик истеъмоли тизимини иссиқлик тармоғига уланиш схемаси, бунда иссиқлик тармоғидан қабул қилинадиган иссиқлик элтувчи истеъмолчининг иссиқлик пунктида ўрнатилган иссиқлик алмашувчи орқали ўтади, бу ерда кейинчалик иссиқлик истеъмоли тизимида фойдаланадиган иккиламчи иссиқлик элтувчини иситади;</div></div><div class="ACT_TEXT lx_elem" onmousemove="lx_mo(event,1771981)"><div class="lx_elem2"><div class="lx_elem3"><span onclick="lx_sf(1771981)"><img src="/img/cmt.svg" />Предложения по документу</span><span onclick="lx_pa(1771981)"><img src="/img/vlm.svg" />Прослушать аудио</span><span onclick="lx_cl(1771981)"><img src="/img/lnk.svg" />Получить ссылку из элемента документа</span></div></div><div name="1771981" id="1771981"><strong>иссиқлик манбаи</strong> — иссиқлик энергиясини ишлаб чиқариш ва уни узатиш учун мўлжалланган қурилма;</div></div><div class="ACT_TEXT lx_elem" onmousemove="lx_mo(event,1771985)"><div class="lx_elem2"><div class="lx_elem3"><span onclick="lx_sf(1771985)"><img src="/img/cmt.svg" />Предложения по документу</span><span onclick="lx_pa(1771985)"><img src="/img/vlm.svg" />Прослушать аудио</span><span onclick="lx_cl(1771985)"><img src="/img/lnk.svg" />Получить ссылку из элемента документа</span></div></div><div name="1771985" id="1771985"><strong>иссиқлик пункти</strong> — иссиқлик элтувчини иссиқлик юкламаси бўйича тақсимлаш, ҳисобга олиш, унинг параметрларини ва иссиқликни истеъмол қилиш режимларини назорат қилиш, тезкор узиб - улашларни амалга ошириш учун мўлжалланган узел;</div></div><div class="ACT_TEXT lx_elem" onmousemove="lx_mo(event,1771988)"><div class="lx_elem2"><div class="lx_elem3"><span onclick="lx_sf(1771988)"><img src="/img/cmt.svg" />Предложения по документу</span><span onclick="lx_pa(1771988)"><img src="/img/vlm.svg" />Прослушать аудио</span><span onclick="lx_cl(1771988)"><img src="/img/lnk.svg" />Получить ссылку из элемента документа</span></div></div><div name="1771988" id="1771988"><strong>иссиқлик таъминоти корхонаси</strong> — иссиқлик энергиясидан фойдаланиш шартномаси бўйича иссиқлик энергиясини сотиш ва тақсимлаш ҳуқуқига эга бўлган юридик шахс;</div></div><div class="ACT_TEXT lx_elem" onmousemove="lx_mo(event,1771990)"><div class="lx_elem2"><div class="lx_elem3"><span onclick="lx_sf(1771990)"><img src="/img/cmt.svg" />Предложения по документу</span><span onclick="lx_pa(1771990)"><img src="/img/vlm.svg" />Прослушать аудио</span><span onclick="lx_cl(1771990)"><img src="/img/lnk.svg" />Получить ссылку из элемента документа</span></div></div><div name="1771990" id="1771990"><strong>иссиқлик таъминоти тизими</strong> — объектнинг (бино, цех, туман, шаҳар, корхона ва бошқалар) иссиқлик таъминотини амалга оширувчи ўзаро боғланган иссиқлик тармоқлари мажмуи;</div></div><div class="ACT_TEXT lx_elem" onmousemove="lx_mo(event,1771993)"><div class="lx_elem2"><div class="lx_elem3"><span onclick="lx_sf(1771993)"><img src="/img/cmt.svg" />Предложения по документу</span><span onclick="lx_pa(1771993)"><img src="/img/vlm.svg" />Прослушать аудио</span><span onclick="lx_cl(1771993)"><img src="/img/lnk.svg" />Получить ссылку из элемента документа</span></div></div><div name="1771993" id="1771993"><strong>иссиқлик элтувчи</strong> — иссиқлик қуввати ускунасида иссиқликни кўпроқ иситилган жисмдан камроқ иситилган жисмга узатишда фойдаланиладиган ҳаракатчан муҳит (сув, сувли буғ, конденсат);</div></div><div class="ACT_TEXT lx_elem" onmousemove="lx_mo(event,1771996)"><div class="lx_elem2"><div class="lx_elem3"><span onclick="lx_sf(1771996)"><img src="/img/cmt.svg" />Предложения по документу</span><span onclick="lx_pa(1771996)"><img src="/img/vlm.svg" />Прослушать аудио</span><span onclick="lx_cl(1771996)"><img src="/img/lnk.svg" />Получить ссылку из элемента документа</span></div></div><div name="1771996" id="1771996"><strong>иссиқлик энергияси</strong> — саноат маҳсулотининг тури ҳисобланиб, иссиқлик манбаидан узатилувчи иссиқлик элтувчидан олинадиган энергия;</div></div><div class="ACT_TEXT lx_elem" onmousemove="lx_mo(event,1771999)"><div class="lx_elem2"><div class="lx_elem3"><span onclick="lx_sf(1771999)"><img src="/img/cmt.svg" />Предложения по документу</span><span onclick="lx_pa(1771999)"><img src="/img/vlm.svg" />Прослушать аудио</span><span onclick="lx_cl(1771999)"><img src="/img/lnk.svg" />Получить ссылку из элемента документа</span></div></div><div name="1771999" id="1771999"><strong>иссиқлик энергиясини ҳисобга олиш прибори</strong> — кўрсаткичлари бўйича истеъмол қилинган иссиқлик энергияси учун иссиқлик таъминоти корхонаси билан ўзаро ҳисоб-китоблар амалга ошириладиган ҳисобга олиш приборлари;</div></div><div class="ACT_TEXT lx_elem" onmousemove="lx_mo(event,1772001)"><div class="lx_elem2"><div class="lx_elem3"><span onclick="lx_sf(1772001)"><img src="/img/cmt.svg" />Предложения по документу</span><span onclick="lx_pa(1772001)"><img src="/img/vlm.svg" />Прослушать аудио</span><span onclick="lx_cl(1772001)"><img src="/img/lnk.svg" />Получить ссылку из элемента документа</span></div></div><div name="1772001" id="1772001"><strong>истеъмолчи</strong> — иссиқлик таъминоти корхонасининг иссиқлик тармоқларига бевосита уланган, у билан иссиқлик тармоқларининг баланс бўйича мансублик чегарасига эга бўлган, иссиқлик энергиясидан фойдаланиш ҳуқуқи ва шартлари истеъмолчи ҳамда иссиқлик таъминоти корхонаси билан тузилган шартномада белгиланган юридик шахс;</div></div><div class="ACT_TEXT lx_elem" onmousemove="lx_mo(event,1772004)"><div class="lx_elem2"><div class="lx_elem3"><span onclick="lx_sf(1772004)"><img src="/img/cmt.svg" />Предложения по документу</span><span onclick="lx_pa(1772004)"><img src="/img/vlm.svg" />Прослушать аудио</span><span onclick="lx_cl(1772004)"><img src="/img/lnk.svg" />Получить ссылку из элемента документа</span></div></div><div name="1772004" id="1772004"><strong>сувли иссиқлик истеъмолининг ёпиқ тизими</strong> — иссиқлик тармоғида айланувчи сувдан фақат иссиқлик элтувчи сифатида фойдаланилади, ушбу тармоқдан сув олинмайдиган тизим;</div></div><div class="ACT_TEXT lx_elem" onmousemove="lx_mo(event,1772007)"><div class="lx_elem2"><div class="lx_elem3"><span onclick="lx_sf(1772007)"><img src="/img/cmt.svg" />Предложения по документу</span><span onclick="lx_pa(1772007)"><img src="/img/vlm.svg" />Прослушать аудио</span><span onclick="lx_cl(1772007)"><img src="/img/lnk.svg" />Получить ссылку из элемента документа</span></div></div><div name="1772007" id="1772007"><strong>сувли иссиқлик истеъмолининг очиқ тизими</strong> — иссиқлик тармоғида айланувчи сув, истеъмолчи томонидан қисман ёки тўлиқ олинадиган тизим;</div></div><div class="ACT_TEXT lx_elem" onmousemove="lx_mo(event,1772010)"><div class="lx_elem2"><div class="lx_elem3"><span onclick="lx_sf(1772010)"><img src="/img/cmt.svg" />Предложения по документу</span><span onclick="lx_pa(1772010)"><img src="/img/vlm.svg" />Прослушать аудио</span><span onclick="lx_cl(1772010)"><img src="/img/lnk.svg" />Получить ссылку из элемента документа</span></div></div><div name="1772010" id="1772010"><strong>ҳисобга олишни назорат қилиш прибори</strong> — назорат қилиш учун фойдаланиладиган ҳисобга олиш прибори, унинг кўрсаткичлари асосида иссиқлик тармоғининг мазкур нуқтасида иссиқлик элтувчининг миқдори, ҳарорати ва босими аниқланади.</div></div><div class="ACT_TEXT lx_elem" onmousemove="lx_mo(event,1772015)"><div class="lx_elem2"><div class="lx_elem3"><span onclick="lx_sf(1772015)"><img src="/img/cmt.svg" />Предложения по документу</span><span onclick="lx_pa(1772015)"><img src="/img/vlm.svg" />Прослушать аудио</span><span onclick="lx_cl(1772015)"><img src="/img/lnk.svg" />Получить ссылку из элемента документа</span></div></div><div name="1772015" id="1772015">2. Мазкур Қоидалар талаблари иссиқлик манбаини ўрнатилган қувватидан ва истеъмолчини уланган иссиқлик юкламасидан қатъи назар иссиқлик энергиясини узатиш ва истеъмол қилишда ўзаро ҳисоб-китоб учун иссиқлик таъминоти корхонаси ва истеъмолчиларга тааллуқлидир.</div></div><div class="ACT_TEXT lx_elem" onmousemove="lx_mo(event,1772017)"><div class="lx_elem2"><div class="lx_elem3"><span onclick="lx_sf(1772017)"><img src="/img/cmt.svg" />Предложения по документу</span><span onclick="lx_pa(1772017)"><img src="/img/vlm.svg" />Прослушать аудио</span><span onclick="lx_cl(1772017)"><img src="/img/lnk.svg" />Получить ссылку из элемента документа</span></div></div><div name="1772017" id="1772017">3. Иссиқлик энергиясини узатиш ва истеъмол қилинишини ҳисобга олиш ва қайд қилиш қуйидаги мақсадларда ташкил қилинади:</div></div><div class="ACT_TEXT lx_elem" onmousemove="lx_mo(event,1772022)"><div class="lx_elem2"><div class="lx_elem3"><span onclick="lx_sf(1772022)"><img src="/img/cmt.svg" />Предложения по документу</span><span onclick="lx_pa(1772022)"><img src="/img/vlm.svg" />Прослушать аудио</span><span onclick="lx_cl(1772022)"><img src="/img/lnk.svg" />Получить ссылку из элемента документа</span></div></div><div name="1772022" id="1772022">иссиқлик таъминоти корхоналари ва истеъмолчилар орасидаги ўзаро молиявий ҳисоб-китобларни амалга ошириш;</div></div><div class="ACT_TEXT lx_elem" onmousemove="lx_mo(event,1772024)"><div class="lx_elem2"><div class="lx_elem3"><span onclick="lx_sf(1772024)"><img src="/img/cmt.svg" />Предложения по документу</span><span onclick="lx_pa(1772024)"><img src="/img/vlm.svg" />Прослушать аудио</span><span onclick="lx_cl(1772024)"><img src="/img/lnk.svg" />Получить ссылку из элемента документа</span></div></div><div name="1772024" id="1772024">иссиқлик таъминоти тизими ва иссиқлик истеъмоли тизимларининг иссиқлик ва гидравлик иш режимларини назорат қилиш;</div></div><div class="ACT_TEXT lx_elem" onmousemove="lx_mo(event,1772026)"><div class="lx_elem2"><div class="lx_elem3"><span onclick="lx_sf(1772026)"><img src="/img/cmt.svg" />Предложения по документу</span><span onclick="lx_pa(1772026)"><img src="/img/vlm.svg" />Прослушать аудио</span><span onclick="lx_cl(1772026)"><img src="/img/lnk.svg" />Получить ссылку из элемента документа</span></div></div><div name="1772026" id="1772026">иссиқлик энергияси ва иссиқлик элтувчилардан оқилона фойдаланишни назорат қилиш;</div></div><div class="ACT_TEXT lx_elem" onmousemove="lx_mo(event,1772029)"><div class="lx_elem2"><div class="lx_elem3"><span onclick="lx_sf(1772029)"><img src="/img/cmt.svg" />Предложения по документу</span><span onclick="lx_pa(1772029)"><img src="/img/vlm.svg" />Прослушать аудио</span><span onclick="lx_cl(1772029)"><img src="/img/lnk.svg" />Получить ссылку из элемента документа</span></div></div><div name="1772029" id="1772029">иссиқлик элтувчининг параметрларини ҳужжатлаштириш: миқдори, ҳарорати ва босими.</div></div><div class="ACT_TEXT lx_elem" onmousemove="lx_mo(event,1772031)"><div class="lx_elem2"><div class="lx_elem3"><span onclick="lx_sf(1772031)"><img src="/img/cmt.svg" />Предложения по документу</span><span onclick="lx_pa(1772031)"><img src="/img/vlm.svg" />Прослушать аудио</span><span onclick="lx_cl(1772031)"><img src="/img/lnk.svg" />Получить ссылку из элемента документа</span></div></div><div name="1772031" id="1772031">4. Иссиқлик энергияси ва иссиқлик элтувчилар учун ҳисоб-китоблар тартиби, шунингдек иссиқлик энергиясини ва иссиқлик элтувчиларни узатиш, истеъмол қилиш режимларига риоя қилиш бўйича, иссиқлик таъминоти корхона ҳамда истеъмолчи ўртасидаги ўзаро мажбуриятлар иссиқлик энергиясидан фойдаланиш шартномаси (бундан кейин — Шартнома) билан белгиланади.</div></div><div class="ACT_TEXT lx_elem" onmousemove="lx_mo(event,1772034)"><div class="lx_elem2"><div class="lx_elem3"><span onclick="lx_sf(1772034)"><img src="/img/cmt.svg" />Предложения по документу</span><span onclick="lx_pa(1772034)"><img src="/img/vlm.svg" />Прослушать аудио</span><span onclick="lx_cl(1772034)"><img src="/img/lnk.svg" />Получить ссылку из элемента документа</span></div></div><div name="1772034" id="1772034">5. Иссиқлик энергияси ва иссиқлик элтувчиларни ҳисобга олишни назорат қилиш ҳамда иссиқлик энергиясини ҳисобга олиш приборлари O'zDSt 8.031:2008 «Ўзбекистон Республикасининг ҳисобга олишлар бирлигини таъминлаш давлат тизими катталиклар бирлиги. Ёқилғи ва энергия. Ҳисобга олиш приборлари билан таъминлаш ва уларни эксплуатация қилиш» талабларига мувофиқ эксплуатация қилиниши лозим.</div></div><div class="ACT_TEXT lx_elem" onmousemove="lx_mo(event,1772036)"><div class="lx_elem2"><div class="lx_elem3"><span onclick="lx_sf(1772036)"><img src="/img/cmt.svg" />Предложения по документу</span><span onclick="lx_pa(1772036)"><img src="/img/vlm.svg" />Прослушать аудио</span><span onclick="lx_cl(1772036)"><img src="/img/lnk.svg" />Получить ссылку из элемента документа</span></div></div><div name="1772036" id="1772036">6. Иссиқлик энергияси иссиқлик элтувчиларни ҳисобга олиш услубиёти ушбу Қоидаларнинг <a href="/ru/docs/1771804#1772081">1-иловасига</a> мувофиқ амалга оширилади. Мазкур услубиётда қўлланилган шартли белгиларнинг таснифи ушбу Қоидаларнинг<a href="/ru/docs/1771804#1775446"> 2-иловасига</a> мувофиқ белгиланади.</div></div><div class="TEXT_HEADER_DEFAULT lx_elem" onmousemove="lx_mo(event,1772038)"><div class="lx_elem2"><div class="lx_elem3"><span onclick="lx_sf(1772038)"><img src="/img/cmt.svg" />Предложения по документу</span><span onclick="lx_pa(1772038)"><img src="/img/vlm.svg" />Прослушать аудио</span><span onclick="lx_cl(1772038)"><img src="/img/lnk.svg" />Получить ссылку из элемента документа</span></div></div><div name="1772038" id="1772038">II. ЯКУНИЙ ҚОИДА</div></div><div class="ACT_TEXT lx_elem" onmousemove="lx_mo(event,1772039)"><div class="lx_elem2"><div class="lx_elem3"><span onclick="lx_sf(1772039)"><img src="/img/cmt.svg" />Предложения по документу</span><span onclick="lx_pa(1772039)"><img src="/img/vlm.svg" />Прослушать аудио</span><span onclick="lx_cl(1772039)"><img src="/img/lnk.svg" />Получить ссылку из элемента документа</span></div></div><div name="1772039" id="1772039">7. Мазкур Қоидалар «Ўзбекэнерго» Давлат акциядорлик компанияси, Ўзбекистон Республикаси Монополиядан чиқариш ва рақобатни ривожлантириш давлат қўмитаси, «Ўзстандарт» агентлиги билан келишилган.</div></div><div class="SIGNATURE lx_elem" onmousemove="lx_mo(event,1772043)"><div class="lx_elem2"><div class="lx_elem3"><span onclick="lx_sf(1772043)"><img src="/img/cmt.svg" />Предложения по документу</span><span onclick="lx_pa(1772043)"><img src="/img/vlm.svg" />Прослушать аудио</span><span onclick="lx_cl(1772043)"><img src="/img/lnk.svg" />Получить ссылку из элемента документа</span></div></div><div name="1772043" id="1772043">«Ўзбекэнерго» Давлат акциядорлик компанияси Бошқаруви раиси ТЕШАБОЕВ Б.М.</div></div><div class="SIGNATURE lx_elem" onmousemove="lx_mo(event,1772045)"><div class="lx_elem2"><div class="lx_elem3"><span onclick="lx_sf(1772045)"><img src="/img/cmt.svg" />Предложения по документу</span><span onclick="lx_pa(1772045)"><img src="/img/vlm.svg" />Прослушать аудио</span><span onclick="lx_cl(1772045)"><img src="/img/lnk.svg" />Получить ссылку из элемента документа</span></div></div><div name="1772045" id="1772045">Ўзбекистон Республикаси Монополиядан чиқариш ва рақобатни ривожлантириш давлат қўмитаси раиси ИСМАИЛОВ Ж.Г.</div></div><div class="SIGNATURE lx_elem" onmousemove="lx_mo(event,1772048)"><div class="lx_elem2"><div class="lx_elem3"><span onclick="lx_sf(1772048)"><img src="/img/cmt.svg" />Предложения по документу</span><span onclick="lx_pa(1772048)"><img src="/img/vlm.svg" />Прослушать аудио</span><span onclick="lx_cl(1772048)"><img src="/img/lnk.svg" />Получить ссылку из элемента документа</span></div></div><div name="1772048" id="1772048">«Ўзстандарт» агентлиги Бош директори АБДУВАЛИЕВ А.А.</div></div><div class="BY_DEFAULT lx_elem" onmousemove="lx_mo(event,1772081)"><div class="lx_elem2"><div class="lx_elem3"><span onclick="lx_sf(1772081)"><img src="/img/cmt.svg" />Предложения по документу</span><span onclick="lx_pa(1772081)"><img src="/img/vlm.svg" />Прослушать аудио</span><span onclick="lx_cl(1772081)"><img src="/img/lnk.svg" />Получить ссылку из элемента документа</span></div></div><div name="1772081" id="1772081"></div></div><div class="APPL_BANNER_LANDSCAPE_TITLE lx_elem" onmousemove="lx_mo(event,1772087)"><div class="lx_elem2"><div class="lx_elem3"><span onclick="lx_sf(1772087)"><img src="/img/cmt.svg" />Предложения по документу</span><span onclick="lx_pa(1772087)"><img src="/img/vlm.svg" />Прослушать аудио</span><span onclick="lx_cl(1772087)"><img src="/img/lnk.svg" />Получить ссылку из элемента документа</span></div></div><div name="1772087" id="1772087">Иссиқлик энергиясини ва иссиқлик элтувчиларни ҳисобга олиш <a href="/ru/docs/1771804#1771927">қоидаларига</a> <br />1-ИЛОВА</div></div><div class="ACT_TITLE_APPL lx_elem" onmousemove="lx_mo(event,1772091)"><div class="lx_elem2"><div class="lx_elem3"><span onclick="lx_sf(1772091)"><img src="/img/cmt.svg" />Предложения по документу</span><span onclick="lx_pa(1772091)"><img src="/img/vlm.svg" />Прослушать аудио</span><span onclick="lx_cl(1772091)"><img src="/img/lnk.svg" />Получить ссылку из элемента документа</span></div></div><div name="1772091" id="1772091">Иссиқлик энергиясини ва иссиқлик элтувчиларни ҳисобга олиш услубиёти</div></div><div class="BY_DEFAULT lx_elem" onmousemove="lx_mo(event,1772092)"><div class="lx_elem2"><div class="lx_elem3"><span onclick="lx_sf(1772092)"><img src="/img/cmt.svg" />Предложения по документу</span><span onclick="lx_pa(1772092)"><img src="/img/vlm.svg" />Прослушать аудио</span><span onclick="lx_cl(1772092)"><img src="/img/lnk.svg" />Получить ссылку из элемента документа</span></div></div><div name="1772092" id="1772092"></div></div><div class="TEXT_HEADER_DEFAULT lx_elem" onmousemove="lx_mo(event,1772095)"><div class="lx_elem2"><div class="lx_elem3"><span onclick="lx_sf(1772095)"><img src="/img/cmt.svg" />Предложения по документу</span><span onclick="lx_pa(1772095)"><img src="/img/vlm.svg" />Прослушать аудио</span><span onclick="lx_cl(1772095)"><img src="/img/lnk.svg" />Получить ссылку из элемента документа</span></div></div><div name="1772095" id="1772095">I. ИССИҚЛИК МАНБАИДАГИ ИССИҚЛИК ЭНЕРГИЯСИНИ ВА ИССИҚЛИК ЭЛТУВЧИЛАРНИ ҲИСОБГА ОЛИШ</div></div><div class="TEXT_HEADER_DEFAULT lx_elem" onmousemove="lx_mo(event,1772099)"><div class="lx_elem2"><div class="lx_elem3"><span onclick="lx_sf(1772099)"><img src="/img/cmt.svg" />Предложения по документу</span><span onclick="lx_pa(1772099)"><img src="/img/vlm.svg" />Прослушать аудио</span><span onclick="lx_cl(1772099)"><img src="/img/lnk.svg" />Получить ссылку из элемента документа</span></div></div><div name="1772099" id="1772099">1-§. УМУМИЙ ҚОИДАЛАР</div></div><div class="ACT_TEXT lx_elem" onmousemove="lx_mo(event,1772101)"><div class="lx_elem2"><div class="lx_elem3"><span onclick="lx_sf(1772101)"><img src="/img/cmt.svg" />Предложения по документу</span><span onclick="lx_pa(1772101)"><img src="/img/vlm.svg" />Прослушать аудио</span><span onclick="lx_cl(1772101)"><img src="/img/lnk.svg" />Получить ссылку из элемента документа</span></div></div><div name="1772101" id="1772101">1. Иссиқлик манбаларидан; иссиқлик электр марказлари (бундан кейин — ИЭМ), қозонхоналар ва шунга ўхшаш иссиқлик манбаларидан чиқувчи, уларнинг ҳар бир узатувчи қувурлари иссиқлик энергиясини ҳисобга олишни назорат қилиш приборлари билан жиҳозланади.</div></div><div class="ACT_TEXT lx_elem" onmousemove="lx_mo(event,1772104)"><div class="lx_elem2"><div class="lx_elem3"><span onclick="lx_sf(1772104)"><img src="/img/cmt.svg" />Предложения по документу</span><span onclick="lx_pa(1772104)"><img src="/img/vlm.svg" />Прослушать аудио</span><span onclick="lx_cl(1772104)"><img src="/img/lnk.svg" />Получить ссылку из элемента документа</span></div></div><div name="1772104" id="1772104">2. Қайтарувчи қувурларда ўрнатиладиган ҳисобга олиш приборлари тўйинтирувчи қувур уланган жойгача жойлашиши шарт.</div></div><div class="ACT_TEXT lx_elem" onmousemove="lx_mo(event,1772107)"><div class="lx_elem2"><div class="lx_elem3"><span onclick="lx_sf(1772107)"><img src="/img/cmt.svg" />Предложения по документу</span><span onclick="lx_pa(1772107)"><img src="/img/vlm.svg" />Прослушать аудио</span><span onclick="lx_cl(1772107)"><img src="/img/lnk.svg" />Получить ссылку из элемента документа</span></div></div><div name="1772107" id="1772107">3. Иссиқлик энергиясини ҳисобга олиш приборлари иссиқлик таъминоти корхонаси ва истеъмолчининг иссиқлик тармоқларининг бўлиниш чегарасида амалга оширилиши керак.</div></div><div class="ACT_TEXT lx_elem" onmousemove="lx_mo(event,1772111)"><div class="lx_elem2"><div class="lx_elem3"><span onclick="lx_sf(1772111)"><img src="/img/cmt.svg" />Предложения по документу</span><span onclick="lx_pa(1772111)"><img src="/img/vlm.svg" />Прослушать аудио</span><span onclick="lx_cl(1772111)"><img src="/img/lnk.svg" />Получить ссылку из элемента документа</span></div></div><div name="1772111" id="1772111">4. Иссиқлик манбаидаги ҳар бир иссиқлик пунктида қуйидагилар аниқланиши шарт:</div></div><div class="ACT_TEXT lx_elem" onmousemove="lx_mo(event,1772114)"><div class="lx_elem2"><div class="lx_elem3"><span onclick="lx_sf(1772114)"><img src="/img/cmt.svg" />Предложения по документу</span><span onclick="lx_pa(1772114)"><img src="/img/vlm.svg" />Прослушать аудио</span><span onclick="lx_cl(1772114)"><img src="/img/lnk.svg" />Получить ссылку из элемента документа</span></div></div><div name="1772114" id="1772114">ҳисобга олиш приборларининг ишлаган вақтлари; </div></div><div class="ACT_TEXT lx_elem" onmousemove="lx_mo(event,1772117)"><div class="lx_elem2"><div class="lx_elem3"><span onclick="lx_sf(1772117)"><img src="/img/cmt.svg" />Предложения по документу</span><span onclick="lx_pa(1772117)"><img src="/img/vlm.svg" />Прослушать аудио</span><span onclick="lx_cl(1772117)"><img src="/img/lnk.svg" />Получить ссылку из элемента документа</span></div></div><div name="1772117" id="1772117">етказиб бериладиган иссиқлик энергияси;</div></div><div class="ACT_TEXT lx_elem" onmousemove="lx_mo(event,1772118)"><div class="lx_elem2"><div class="lx_elem3"><span onclick="lx_sf(1772118)"><img src="/img/cmt.svg" />Предложения по документу</span><span onclick="lx_pa(1772118)"><img src="/img/vlm.svg" />Прослушать аудио</span><span onclick="lx_cl(1772118)"><img src="/img/lnk.svg" />Получить ссылку из элемента документа</span></div></div><div name="1772118" id="1772118">иссиқлик манбаи томонидан иссиқлик узатувчи қувур бўйлаб етказиб берилган ва қайтарувчи қувурлар бўйлаб қабул қилинган иссиқлик элтувчининг миқдори;</div></div><div class="ACT_TEXT lx_elem" onmousemove="lx_mo(event,1772121)"><div class="lx_elem2"><div class="lx_elem3"><span onclick="lx_sf(1772121)"><img src="/img/cmt.svg" />Предложения по документу</span><span onclick="lx_pa(1772121)"><img src="/img/vlm.svg" />Прослушать аудио</span><span onclick="lx_cl(1772121)"><img src="/img/lnk.svg" />Получить ссылку из элемента документа</span></div></div><div name="1772121" id="1772121">иссиқлик таъминоти тизимини тўйинтиришга сарфланадиган иссиқлик элтувчининг миқдори;</div></div><div class="ACT_TEXT lx_elem" onmousemove="lx_mo(event,1772124)"><div class="lx_elem2"><div class="lx_elem3"><span onclick="lx_sf(1772124)"><img src="/img/cmt.svg" />Предложения по документу</span><span onclick="lx_pa(1772124)"><img src="/img/vlm.svg" />Прослушать аудио</span><span onclick="lx_cl(1772124)"><img src="/img/lnk.svg" />Получить ссылку из элемента документа</span></div></div><div name="1772124" id="1772124">ҳар бир соатда етказиб берилган буғнинг ва иссиқлик манбаига қайтарилган конденсатнинг миқдори;</div></div><div class="ACT_TEXT lx_elem" onmousemove="lx_mo(event,1772127)"><div class="lx_elem2"><div class="lx_elem3"><span onclick="lx_sf(1772127)"><img src="/img/cmt.svg" />Предложения по документу</span><span onclick="lx_pa(1772127)"><img src="/img/vlm.svg" />Прослушать аудио</span><span onclick="lx_cl(1772127)"><img src="/img/lnk.svg" />Получить ссылку из элемента документа</span></div></div><div name="1772127" id="1772127">узатувчи ва қайтарувчи қувурлардаги иссиқлик элтувчининг ва тўйинтириш қувурларидаги тўйинтириш учун фойдаланиладиган совуқ сувнинг ўртача соатлик ва ўртача суткалик ҳарорати ва босими.</div></div><div class="ACT_TEXT lx_elem" onmousemove="lx_mo(event,1772129)"><div class="lx_elem2"><div class="lx_elem3"><span onclick="lx_sf(1772129)"><img src="/img/cmt.svg" />Предложения по документу</span><span onclick="lx_pa(1772129)"><img src="/img/vlm.svg" />Прослушать аудио</span><span onclick="lx_cl(1772129)"><img src="/img/lnk.svg" />Получить ссылку из элемента документа</span></div></div><div name="1772129" id="1772129">5. Иссиқлик элтувчининг параметрларни ўртача қиймати ва шунингдек бирон-бир бошқа вақт оралиғи учун уларнинг ўртача қийматлари, иссиқлик элтувчининг параметрларини қайд қилувчи приборлар кўрсаткичлари асосида аниқланади.</div></div><div class="TEXT_HEADER_DEFAULT lx_elem" onmousemove="lx_mo(event,1772133)"><div class="lx_elem2"><div class="lx_elem3"><span onclick="lx_sf(1772133)"><img src="/img/cmt.svg" />Предложения по документу</span><span onclick="lx_pa(1772133)"><img src="/img/vlm.svg" />Прослушать аудио</span><span onclick="lx_cl(1772133)"><img src="/img/lnk.svg" />Получить ссылку из элемента документа</span></div></div><div name="1772133" id="1772133">2-§. СУВЛИ ИССИҚЛИК ТАЪМИНОТИ ТИЗИМЛАРГА ЕТКАЗИБ БЕРИЛГАН ИССИҚЛИК ЭНЕРГИЯСИ ВА ИССИҚЛИК ЭЛТУВЧИЛАРНИНГ МИҚДОРИНИ АНИҚЛАШ</div></div><div class="ACT_TEXT lx_elem" onmousemove="lx_mo(event,1772137)"><div class="lx_elem2"><div class="lx_elem3"><span onclick="lx_sf(1772137)"><img src="/img/cmt.svg" />Предложения по документу</span><span onclick="lx_pa(1772137)"><img src="/img/vlm.svg" />Прослушать аудио</span><span onclick="lx_cl(1772137)"><img src="/img/lnk.svg" />Получить ссылку из элемента документа</span></div></div><div name="1772137" id="1772137">6. Сувли иссиқлик таъминоти тизимида иссиқлик элтувчининг ва унинг ўлчанаётган ва қайд қилинаётган параметрларини ҳисобга олиш нуқталарини жойлаштириш 1-расмда келтирилган <a href="/ru/docs/1771804#1772771">схема</a> асосида амалга оширилади.</div></div><div class="ACT_TEXT lx_elem" onmousemove="lx_mo(event,1772140)"><div class="lx_elem2"><div class="lx_elem3"><span onclick="lx_sf(1772140)"><img src="/img/cmt.svg" />Предложения по документу</span><span onclick="lx_pa(1772140)"><img src="/img/vlm.svg" />Прослушать аудио</span><span onclick="lx_cl(1772140)"><img src="/img/lnk.svg" />Получить ссылку из элемента документа</span></div></div><div name="1772140" id="1772140">7. Иссиқлик манбаидан сувли иссиқлик таъминоти тизимларга етказиб берилган иссиқлик энергияси миқдори, унинг ҳар бир узатувчи қувурлари бўйича етказиб берилган иссиқлик энергияси миқдорларининг йиғиндиси каби аниқланади.</div></div><div class="ACT_TEXT lx_elem" onmousemove="lx_mo(event,1772143)"><div class="lx_elem2"><div class="lx_elem3"><span onclick="lx_sf(1772143)"><img src="/img/cmt.svg" />Предложения по документу</span><span onclick="lx_pa(1772143)"><img src="/img/vlm.svg" />Прослушать аудио</span><span onclick="lx_cl(1772143)"><img src="/img/lnk.svg" />Получить ссылку из элемента документа</span></div></div><div name="1772143" id="1772143">8. Иссиқлик манбаининг ҳар бир алоҳида чиқувчи қувурларда етказиб берилган иссиқлик энергияси миқдори ҳар бир узатувчи, қайтарувчи ва тўйинтирувчи қувур бўйлаб иссиқлик элтувчининг миқдорини ўртача ҳароратга кўпайтмалари йиғиндиси сифатида аниқланади. Қайтарувчи ва тўйинтирувчи қувурдаги тармоқ сувининг миқдори манфий ифода билан олинади.</div></div><div class="ACT_TEXT lx_elem" onmousemove="lx_mo(event,1772147)"><div class="lx_elem2"><div class="lx_elem3"><span onclick="lx_sf(1772147)"><img src="/img/cmt.svg" />Предложения по документу</span><span onclick="lx_pa(1772147)"><img src="/img/vlm.svg" />Прослушать аудио</span><span onclick="lx_cl(1772147)"><img src="/img/lnk.svg" />Получить ссылку из элемента документа</span></div></div><div name="1772147" id="1772147">Иссиқлик манбаидан сувли иссиқлик таъминоти тизимига берилган иссиқлик энергияси миқдорларини аниқлаш учун қуйидаги формуладан фойдаланилади:</div></div><div class="TEXT_CENTER lx_elem" onmousemove="lx_mo(event,1772151)"><div class="lx_elem2"><div class="lx_elem3"><span onclick="lx_sf(1772151)"><img src="/img/cmt.svg" />Предложения по документу</span><span onclick="lx_pa(1772151)"><img src="/img/vlm.svg" />Прослушать аудио</span><span onclick="lx_cl(1772151)"><img src="/img/lnk.svg" />Получить ссылку из элемента документа</span></div></div><div name="1772151" id="1772151"><img src="/ru/files/1792329" /> (1)</div></div><div class="ACT_TEXT lx_elem" onmousemove="lx_mo(event,1772191)"><div class="lx_elem2"><div class="lx_elem3"><span onclick="lx_sf(1772191)"><img src="/img/cmt.svg" />Предложения по документу</span><span onclick="lx_pa(1772191)"><img src="/img/vlm.svg" />Прослушать аудио</span><span onclick="lx_cl(1772191)"><img src="/img/lnk.svg" />Получить ссылку из элемента документа</span></div></div><div name="1772191" id="1772191">бу ерда: </div></div><div class="ACT_TEXT lx_elem" onmousemove="lx_mo(event,1772194)"><div class="lx_elem2"><div class="lx_elem3"><span onclick="lx_sf(1772194)"><img src="/img/cmt.svg" />Предложения по документу</span><span onclick="lx_pa(1772194)"><img src="/img/vlm.svg" />Прослушать аудио</span><span onclick="lx_cl(1772194)"><img src="/img/lnk.svg" />Получить ссылку из элемента документа</span></div></div><div name="1772194" id="1772194">a — узатувчи қувурлардаги ҳисобга олиш узеллари сони;</div></div><div class="ACT_TEXT lx_elem" onmousemove="lx_mo(event,1772196)"><div class="lx_elem2"><div class="lx_elem3"><span onclick="lx_sf(1772196)"><img src="/img/cmt.svg" />Предложения по документу</span><span onclick="lx_pa(1772196)"><img src="/img/vlm.svg" />Прослушать аудио</span><span onclick="lx_cl(1772196)"><img src="/img/lnk.svg" />Получить ссылку из элемента документа</span></div></div><div name="1772196" id="1772196">b — қайтарувчи қувурлардаги ҳисобга олиш узеллари сони;</div></div><div class="ACT_TEXT lx_elem" onmousemove="lx_mo(event,1772735)"><div class="lx_elem2"><div class="lx_elem3"><span onclick="lx_sf(1772735)"><img src="/img/cmt.svg" />Предложения по документу</span><span onclick="lx_pa(1772735)"><img src="/img/vlm.svg" />Прослушать аудио</span><span onclick="lx_cl(1772735)"><img src="/img/lnk.svg" />Получить ссылку из элемента документа</span></div></div><div name="1772735" id="1772735">m — тўйинтирувчи қувурлардаги ҳисобга олиш узеллари сони;</div></div><div class="ACT_TEXT lx_elem" onmousemove="lx_mo(event,1772738)"><div class="lx_elem2"><div class="lx_elem3"><span onclick="lx_sf(1772738)"><img src="/img/cmt.svg" />Предложения по документу</span><span onclick="lx_pa(1772738)"><img src="/img/vlm.svg" />Прослушать аудио</span><span onclick="lx_cl(1772738)"><img src="/img/lnk.svg" />Получить ссылку из элемента документа</span></div></div><div name="1772738" id="1772738">G<sub>1j</sub> — иссиқлик манбаидан ҳар бир узатувчи қувур бўйлаб берилган иссиқлик элтувчининг миқдори, [т];</div></div><div class="ACT_TEXT lx_elem" onmousemove="lx_mo(event,1772741)"><div class="lx_elem2"><div class="lx_elem3"><span onclick="lx_sf(1772741)"><img src="/img/cmt.svg" />Предложения по документу</span><span onclick="lx_pa(1772741)"><img src="/img/vlm.svg" />Прослушать аудио</span><span onclick="lx_cl(1772741)"><img src="/img/lnk.svg" />Получить ссылку из элемента документа</span></div></div><div name="1772741" id="1772741">G<sub>2k</sub> - ҳар бир қайтарувчи қувур бўйлаб иссиқлик манбаига қайтарилган иссиқлик элтувчининг миқдори [т];</div></div><div class="ACT_TEXT lx_elem" onmousemove="lx_mo(event,1772743)"><div class="lx_elem2"><div class="lx_elem3"><span onclick="lx_sf(1772743)"><img src="/img/cmt.svg" />Предложения по документу</span><span onclick="lx_pa(1772743)"><img src="/img/vlm.svg" />Прослушать аудио</span><span onclick="lx_cl(1772743)"><img src="/img/lnk.svg" />Получить ссылку из элемента документа</span></div></div><div name="1772743" id="1772743">G<sub><em>Tl</em></sub> - иссиқлик манбаидаги ҳар бир тўйинтирувчи қувурда сарфланган иссиқлик элтувчининг миқдори [т];</div></div><div class="ACT_TEXT lx_elem" onmousemove="lx_mo(event,1772745)"><div class="lx_elem2"><div class="lx_elem3"><span onclick="lx_sf(1772745)"><img src="/img/cmt.svg" />Предложения по документу</span><span onclick="lx_pa(1772745)"><img src="/img/vlm.svg" />Прослушать аудио</span><span onclick="lx_cl(1772745)"><img src="/img/lnk.svg" />Получить ссылку из элемента документа</span></div></div><div name="1772745" id="1772745">t<sub>1j</sub>- узатувчи қувурдаги тармоқ сувининг ўртача ҳарорати °С;</div></div><div class="ACT_TEXT lx_elem" onmousemove="lx_mo(event,1772748)"><div class="lx_elem2"><div class="lx_elem3"><span onclick="lx_sf(1772748)"><img src="/img/cmt.svg" />Предложения по документу</span><span onclick="lx_pa(1772748)"><img src="/img/vlm.svg" />Прослушать аудио</span><span onclick="lx_cl(1772748)"><img src="/img/lnk.svg" />Получить ссылку из элемента документа</span></div></div><div name="1772748" id="1772748">t<sub>2k</sub> — қайтарувчи қувурдаги тармоқ сувининг ўртача ҳарорати, °С; </div></div><div class="ACT_TEXT lx_elem" onmousemove="lx_mo(event,1772751)"><div class="lx_elem2"><div class="lx_elem3"><span onclick="lx_sf(1772751)"><img src="/img/cmt.svg" />Предложения по документу</span><span onclick="lx_pa(1772751)"><img src="/img/vlm.svg" />Прослушать аудио</span><span onclick="lx_cl(1772751)"><img src="/img/lnk.svg" />Получить ссылку из элемента документа</span></div></div><div name="1772751" id="1772751">t<sub>CCl </sub>— иссиқлик манбаидаги тўйинтирувчи қувурдаги совуқ сувнинг ўртача ҳарорати, °С;</div></div><div class="ACT_TEXT lx_elem" onmousemove="lx_mo(event,1772763)"><div class="lx_elem2"><div class="lx_elem3"><span onclick="lx_sf(1772763)"><img src="/img/cmt.svg" />Предложения по документу</span><span onclick="lx_pa(1772763)"><img src="/img/vlm.svg" />Прослушать аудио</span><span onclick="lx_cl(1772763)"><img src="/img/lnk.svg" />Получить ссылку из элемента документа</span></div></div><div name="1772763" id="1772763">с — солиштирма иссиқлик сиғими, [ккал/(кг-°С)], </div></div><div class="ACT_TEXT lx_elem" onmousemove="lx_mo(event,1772765)"><div class="lx_elem2"><div class="lx_elem3"><span onclick="lx_sf(1772765)"><img src="/img/cmt.svg" />Предложения по документу</span><span onclick="lx_pa(1772765)"><img src="/img/vlm.svg" />Прослушать аудио</span><span onclick="lx_cl(1772765)"><img src="/img/lnk.svg" />Получить ссылку из элемента документа</span></div></div><div name="1772765" id="1772765">с = 1,0 [ккал/(кг-°С)].</div></div><div class="TEXT_CENTER lx_elem" onmousemove="lx_mo(event,1772771)"><div class="lx_elem2"><div class="lx_elem3"><span onclick="lx_sf(1772771)"><img src="/img/cmt.svg" />Предложения по документу</span><span onclick="lx_pa(1772771)"><img src="/img/vlm.svg" />Прослушать аудио</span><span onclick="lx_cl(1772771)"><img src="/img/lnk.svg" />Получить ссылку из элемента документа</span></div></div><div name="1772771" id="1772771"><img src="/ru/files/1791438" /></div></div><div class="FOOTNOTE lx_elem" onmousemove="lx_mo(event,1775594)"><div class="lx_elem2"><div class="lx_elem3"><span onclick="lx_sf(1775594)"><img src="/img/cmt.svg" />Предложения по документу</span><span onclick="lx_pa(1775594)"><img src="/img/vlm.svg" />Прослушать аудио</span><span onclick="lx_cl(1775594)"><img src="/img/lnk.svg" />Получить ссылку из элемента документа</span></div></div><div name="1775594" id="1775594">1-расм. Сувли иссиқлик таъминоти тизимида иссиқлик элтувчининг миқдорини ва унинг ўлчанаётган ҳамда қайд қилинаётган параметрларини ҳисобга олиш нуқталарини ўрнатиш схемаси.</div></div><div class="TEXT_HEADER_DEFAULT lx_elem" onmousemove="lx_mo(event,1772772)"><div class="lx_elem2"><div class="lx_elem3"><span onclick="lx_sf(1772772)"><img src="/img/cmt.svg" />Предложения по документу</span><span onclick="lx_pa(1772772)"><img src="/img/vlm.svg" />Прослушать аудио</span><span onclick="lx_cl(1772772)"><img src="/img/lnk.svg" />Получить ссылку из элемента документа</span></div></div><div name="1772772" id="1772772">3-§. БУҒЛИ ИССИҚЛИК ТАЪМИНОТИ ТИЗИМЛАРИГА ЕТКАЗИБ БЕРИЛГАН ИССИҚЛИК ЭНЕРГИЯСИ ВА ИССИҚЛИК ЭЛТУВЧИЛАРНИНГ МИҚДОРИНИ АНИҚЛАШ</div></div><div class="ACT_TEXT lx_elem" onmousemove="lx_mo(event,1772775)"><div class="lx_elem2"><div class="lx_elem3"><span onclick="lx_sf(1772775)"><img src="/img/cmt.svg" />Предложения по документу</span><span onclick="lx_pa(1772775)"><img src="/img/vlm.svg" />Прослушать аудио</span><span onclick="lx_cl(1772775)"><img src="/img/lnk.svg" />Получить ссылку из элемента документа</span></div></div><div name="1772775" id="1772775">9. Буғли иссиқлик таъминоти тизимида иссиқлик элтувчининг ҳисобга олиш нуқталарини жойлаштириш ва унинг ўлчанаётган ва қайд қилинаётган параметрларини аниқлаш 2-расмда келтирилган <a href="/ru/docs/1771804#1772820">схема</a> асосида амалга оширилади.</div></div><div class="ACT_TEXT lx_elem" onmousemove="lx_mo(event,1772777)"><div class="lx_elem2"><div class="lx_elem3"><span onclick="lx_sf(1772777)"><img src="/img/cmt.svg" />Предложения по документу</span><span onclick="lx_pa(1772777)"><img src="/img/vlm.svg" />Прослушать аудио</span><span onclick="lx_cl(1772777)"><img src="/img/lnk.svg" />Получить ссылку из элемента документа</span></div></div><div name="1772777" id="1772777">10. Иссиқлик манбаидан буғли иссиқлик таъминоти тизимларига етказиб берилган иссиқлик энергияси миқдори, унинг буғ қувурлари бўйича берилган иссиқлик энергияси миқдорларининг йиғиндиси каби аниқланади.</div></div><div class="ACT_TEXT lx_elem" onmousemove="lx_mo(event,1772779)"><div class="lx_elem2"><div class="lx_elem3"><span onclick="lx_sf(1772779)"><img src="/img/cmt.svg" />Предложения по документу</span><span onclick="lx_pa(1772779)"><img src="/img/vlm.svg" />Прослушать аудио</span><span onclick="lx_cl(1772779)"><img src="/img/lnk.svg" />Получить ссылку из элемента документа</span></div></div><div name="1772779" id="1772779">Иссиқлик манбаининг ҳар бир алоҳида буғ қувурларидан етказиб берилган иссиқлик энергияси миқдори ҳар бир мос қувур (буғ ва конденсат қувур) бўйича иссиқлик элтувчининг миқдорини мос бўлган ҳароратига кўпайтирмасининг алгебраик йиғиндиси билан аниқланади. Конденсат қувурдаги иссиқлик элтувчининг миқдори манфий ифода билан олинади.</div></div><div class="ACT_TEXT lx_elem" onmousemove="lx_mo(event,1772781)"><div class="lx_elem2"><div class="lx_elem3"><span onclick="lx_sf(1772781)"><img src="/img/cmt.svg" />Предложения по документу</span><span onclick="lx_pa(1772781)"><img src="/img/vlm.svg" />Прослушать аудио</span><span onclick="lx_cl(1772781)"><img src="/img/lnk.svg" />Получить ссылку из элемента документа</span></div></div><div name="1772781" id="1772781">Иссиқлик манбаидан буғли иссиқлик таъминотига берилган иссиқлик энергияси миқдорларини аниқлаш учун қуйидаги формуладан фойдаланилади:</div></div><div class="TEXT_CENTER lx_elem" onmousemove="lx_mo(event,1772783)"><div class="lx_elem2"><div class="lx_elem3"><span onclick="lx_sf(1772783)"><img src="/img/cmt.svg" />Предложения по документу</span><span onclick="lx_pa(1772783)"><img src="/img/vlm.svg" />Прослушать аудио</span><span onclick="lx_cl(1772783)"><img src="/img/lnk.svg" />Получить ссылку из элемента документа</span></div></div><div name="1772783" id="1772783"><img src="/ru/files/1792330" />(2)</div></div><div class="ACT_TEXT lx_elem" onmousemove="lx_mo(event,1772789)"><div class="lx_elem2"><div class="lx_elem3"><span onclick="lx_sf(1772789)"><img src="/img/cmt.svg" />Предложения по документу</span><span onclick="lx_pa(1772789)"><img src="/img/vlm.svg" />Прослушать аудио</span><span onclick="lx_cl(1772789)"><img src="/img/lnk.svg" />Получить ссылку из элемента документа</span></div></div><div name="1772789" id="1772789">бу ерда:</div></div><div class="ACT_TEXT lx_elem" onmousemove="lx_mo(event,1772795)"><div class="lx_elem2"><div class="lx_elem3"><span onclick="lx_sf(1772795)"><img src="/img/cmt.svg" />Предложения по документу</span><span onclick="lx_pa(1772795)"><img src="/img/vlm.svg" />Прослушать аудио</span><span onclick="lx_cl(1772795)"><img src="/img/lnk.svg" />Получить ссылку из элемента документа</span></div></div><div name="1772795" id="1772795">k — буғ қувурлардаги ҳисобга олиш узеллари сони; </div></div><div class="ACT_TEXT lx_elem" onmousemove="lx_mo(event,1772798)"><div class="lx_elem2"><div class="lx_elem3"><span onclick="lx_sf(1772798)"><img src="/img/cmt.svg" />Предложения по документу</span><span onclick="lx_pa(1772798)"><img src="/img/vlm.svg" />Прослушать аудио</span><span onclick="lx_cl(1772798)"><img src="/img/lnk.svg" />Получить ссылку из элемента документа</span></div></div><div name="1772798" id="1772798">m — конденсат қувурлардаги ҳисобга олиш узеллари сони;</div></div><div class="ACT_TEXT lx_elem" onmousemove="lx_mo(event,1772801)"><div class="lx_elem2"><div class="lx_elem3"><span onclick="lx_sf(1772801)"><img src="/img/cmt.svg" />Предложения по документу</span><span onclick="lx_pa(1772801)"><img src="/img/vlm.svg" />Прослушать аудио</span><span onclick="lx_cl(1772801)"><img src="/img/lnk.svg" />Получить ссылку из элемента документа</span></div></div><div name="1772801" id="1772801">D<sub>i</sub> — иссиқлик манбаидан ҳар бир буғ қувури бўйлаб берилган буғнинг миқдори [т];</div></div><div class="ACT_TEXT lx_elem" onmousemove="lx_mo(event,1772806)"><div class="lx_elem2"><div class="lx_elem3"><span onclick="lx_sf(1772806)"><img src="/img/cmt.svg" />Предложения по документу</span><span onclick="lx_pa(1772806)"><img src="/img/vlm.svg" />Прослушать аудио</span><span onclick="lx_cl(1772806)"><img src="/img/lnk.svg" />Получить ссылку из элемента документа</span></div></div><div name="1772806" id="1772806">G<sub>kj</sub> — ҳар бир конденсат қувури бўйича иссиқлик манбаси қабул қилиб олган конденсатнинг миқдори [т];</div></div><div class="ACT_TEXT lx_elem" onmousemove="lx_mo(event,1772810)"><div class="lx_elem2"><div class="lx_elem3"><span onclick="lx_sf(1772810)"><img src="/img/cmt.svg" />Предложения по документу</span><span onclick="lx_pa(1772810)"><img src="/img/vlm.svg" />Прослушать аудио</span><span onclick="lx_cl(1772810)"><img src="/img/lnk.svg" />Получить ссылку из элемента документа</span></div></div><div name="1772810" id="1772810">t<sub>i</sub> — буғ қувуридаги буғнинг ҳарорати, °С;</div></div><div class="ACT_TEXT lx_elem" onmousemove="lx_mo(event,1772813)"><div class="lx_elem2"><div class="lx_elem3"><span onclick="lx_sf(1772813)"><img src="/img/cmt.svg" />Предложения по документу</span><span onclick="lx_pa(1772813)"><img src="/img/vlm.svg" />Прослушать аудио</span><span onclick="lx_cl(1772813)"><img src="/img/lnk.svg" />Получить ссылку из элемента документа</span></div></div><div name="1772813" id="1772813">t<sub>kj</sub> — конденсат қувуридаги конденсатнинг ҳарорати, °С;</div></div><div class="ACT_TEXT lx_elem" onmousemove="lx_mo(event,1772815)"><div class="lx_elem2"><div class="lx_elem3"><span onclick="lx_sf(1772815)"><img src="/img/cmt.svg" />Предложения по документу</span><span onclick="lx_pa(1772815)"><img src="/img/vlm.svg" />Прослушать аудио</span><span onclick="lx_cl(1772815)"><img src="/img/lnk.svg" />Получить ссылку из элемента документа</span></div></div><div name="1772815" id="1772815">t<sub>CC</sub> — тўйинтириш учун ишлатиладиган совуқ сувнинг ҳарорати, °С.</div></div><div class="TEXT_CENTER lx_elem" onmousemove="lx_mo(event,1772820)"><div class="lx_elem2"><div class="lx_elem3"><span onclick="lx_sf(1772820)"><img src="/img/cmt.svg" />Предложения по документу</span><span onclick="lx_pa(1772820)"><img src="/img/vlm.svg" />Прослушать аудио</span><span onclick="lx_cl(1772820)"><img src="/img/lnk.svg" />Получить ссылку из элемента документа</span></div></div><div name="1772820" id="1772820"><img src="/ru/files/1792112" /></div></div><div class="FOOTNOTE lx_elem" onmousemove="lx_mo(event,1792375)"><div class="lx_elem2"><div class="lx_elem3"><span onclick="lx_sf(1792375)"><img src="/img/cmt.svg" />Предложения по документу</span><span onclick="lx_pa(1792375)"><img src="/img/vlm.svg" />Прослушать аудио</span><span onclick="lx_cl(1792375)"><img src="/img/lnk.svg" />Получить ссылку из элемента документа</span></div></div><div name="1792375" id="1792375">2-расм. Буғли иссиқлик таъминоти тизимида иссиқлик элтувчининг миқдорини ва унинг ўлчанаётган ҳамда қайд қилинаётган параметрларини ҳисобга олиш нуқталарини ўрнатиш схемаси.</div></div><div class="TEXT_HEADER_DEFAULT lx_elem" onmousemove="lx_mo(event,1772825)"><div class="lx_elem2"><div class="lx_elem3"><span onclick="lx_sf(1772825)"><img src="/img/cmt.svg" />Предложения по документу</span><span onclick="lx_pa(1772825)"><img src="/img/vlm.svg" />Прослушать аудио</span><span onclick="lx_cl(1772825)"><img src="/img/lnk.svg" />Получить ссылку из элемента документа</span></div></div><div name="1772825" id="1772825">II. ИССИҚЛИК ИСТЕЪМОЛЧИСИДА ИССИҚЛИК ЭНЕРГИЯСИ ВА ИССИҚЛИК ЭЛТУВЧИЛАРНИ ҲИСОБГА ОЛИШ</div></div><div class="TEXT_HEADER_DEFAULT lx_elem" onmousemove="lx_mo(event,1772827)"><div class="lx_elem2"><div class="lx_elem3"><span onclick="lx_sf(1772827)"><img src="/img/cmt.svg" />Предложения по документу</span><span onclick="lx_pa(1772827)"><img src="/img/vlm.svg" />Прослушать аудио</span><span onclick="lx_cl(1772827)"><img src="/img/lnk.svg" />Получить ссылку из элемента документа</span></div></div><div name="1772827" id="1772827">1-§. УМУМИЙ ҚОИДАЛАР</div></div><div class="ACT_TEXT lx_elem" onmousemove="lx_mo(event,1772830)"><div class="lx_elem2"><div class="lx_elem3"><span onclick="lx_sf(1772830)"><img src="/img/cmt.svg" />Предложения по документу</span><span onclick="lx_pa(1772830)"><img src="/img/vlm.svg" />Прослушать аудио</span><span onclick="lx_cl(1772830)"><img src="/img/lnk.svg" />Получить ссылку из элемента документа</span></div></div><div name="1772830" id="1772830">11. Иссиқлик юкламаларининг алоҳида турлари мустақил қувурлар ёрдамида ташқи иссиқлик тизимларига уланган иссиқлик истеъмоли тизимлари учун, иссиқлик энергиясини ва иссиқлик элтувчининг миқдорини ҳамда параметрларини ҳисобга олиш ҳар бир мустақил уланган юклама учун алоҳида ҳар бир юкламадаги ўрнатилган иссиқликни ҳисобга олиш приборларининг кўрсаткичлари асосида олиб борилади.</div></div><div class="ACT_TEXT lx_elem" onmousemove="lx_mo(event,1772832)"><div class="lx_elem2"><div class="lx_elem3"><span onclick="lx_sf(1772832)"><img src="/img/cmt.svg" />Предложения по документу</span><span onclick="lx_pa(1772832)"><img src="/img/vlm.svg" />Прослушать аудио</span><span onclick="lx_cl(1772832)"><img src="/img/lnk.svg" />Получить ссылку из элемента документа</span></div></div><div name="1772832" id="1772832">12. Буғли иссиқлик истеъмолининг ва сувли иссиқлик истеъмолининг очиқ ва ёпиқ тизимларидаги иссиқлик энергиясини ва иссиқлик элтувчиларни ҳисобга олиш иссиқлик пунктларида ўрнатилган прибор (приборлар) ёрдамида қуйидагилар аниқланиши шарт:</div></div><div class="ACT_TEXT lx_elem" onmousemove="lx_mo(event,1772835)"><div class="lx_elem2"><div class="lx_elem3"><span onclick="lx_sf(1772835)"><img src="/img/cmt.svg" />Предложения по документу</span><span onclick="lx_pa(1772835)"><img src="/img/vlm.svg" />Прослушать аудио</span><span onclick="lx_cl(1772835)"><img src="/img/lnk.svg" />Получить ссылку из элемента документа</span></div></div><div name="1772835" id="1772835">приборларнинг ишлаган вақти; </div></div><div class="ACT_TEXT lx_elem" onmousemove="lx_mo(event,1772837)"><div class="lx_elem2"><div class="lx_elem3"><span onclick="lx_sf(1772837)"><img src="/img/cmt.svg" />Предложения по документу</span><span onclick="lx_pa(1772837)"><img src="/img/vlm.svg" />Прослушать аудио</span><span onclick="lx_cl(1772837)"><img src="/img/lnk.svg" />Получить ссылку из элемента документа</span></div></div><div name="1772837" id="1772837">қабул қилинган иссиқлик энергияси;</div></div><div class="ACT_TEXT lx_elem" onmousemove="lx_mo(event,1772841)"><div class="lx_elem2"><div class="lx_elem3"><span onclick="lx_sf(1772841)"><img src="/img/cmt.svg" />Предложения по документу</span><span onclick="lx_pa(1772841)"><img src="/img/vlm.svg" />Прослушать аудио</span><span onclick="lx_cl(1772841)"><img src="/img/lnk.svg" />Получить ссылку из элемента документа</span></div></div><div name="1772841" id="1772841">қабул қилинган ва қайтарилган иссиқлик элтувчининг миқдори; </div></div><div class="ACT_TEXT lx_elem" onmousemove="lx_mo(event,1772844)"><div class="lx_elem2"><div class="lx_elem3"><span onclick="lx_sf(1772844)"><img src="/img/cmt.svg" />Предложения по документу</span><span onclick="lx_pa(1772844)"><img src="/img/vlm.svg" />Прослушать аудио</span><span onclick="lx_cl(1772844)"><img src="/img/lnk.svg" />Получить ссылку из элемента документа</span></div></div><div name="1772844" id="1772844">ҳисобга олиш узелидаги қабул қилинган ва қайтарилган иссиқлик элтувчининг ўртача соатлик ва ўртача суткалик ҳарорати ва босими;</div></div><div class="ACT_TEXT lx_elem" onmousemove="lx_mo(event,1772847)"><div class="lx_elem2"><div class="lx_elem3"><span onclick="lx_sf(1772847)"><img src="/img/cmt.svg" />Предложения по документу</span><span onclick="lx_pa(1772847)"><img src="/img/vlm.svg" />Прослушать аудио</span><span onclick="lx_cl(1772847)"><img src="/img/lnk.svg" />Получить ссылку из элемента документа</span></div></div><div name="1772847" id="1772847">қайтарилган буғ конденсатининг миқдори ва ҳарорати.</div></div><div class="ACT_TEXT lx_elem" onmousemove="lx_mo(event,1772850)"><div class="lx_elem2"><div class="lx_elem3"><span onclick="lx_sf(1772850)"><img src="/img/cmt.svg" />Предложения по документу</span><span onclick="lx_pa(1772850)"><img src="/img/vlm.svg" />Прослушать аудио</span><span onclick="lx_cl(1772850)"><img src="/img/lnk.svg" />Получить ссылку из элемента документа</span></div></div><div name="1772850" id="1772850">Боғлиқ бўлмаган схема бўйича уланган иссиқлик истеъмоли тизимларида, тўйинтиришга сарфланадиган иссиқлик элтувчининг миқдори қўшимча равишда аниқланиши лозим.</div></div><div class="ACT_TEXT lx_elem" onmousemove="lx_mo(event,1772853)"><div class="lx_elem2"><div class="lx_elem3"><span onclick="lx_sf(1772853)"><img src="/img/cmt.svg" />Предложения по документу</span><span onclick="lx_pa(1772853)"><img src="/img/vlm.svg" />Прослушать аудио</span><span onclick="lx_cl(1772853)"><img src="/img/lnk.svg" />Получить ссылку из элемента документа</span></div></div><div name="1772853" id="1772853">Иссиқлик элтувчини ўртача соатлик ва ўртача суткалик миқдорлари, иссиқлик элтувчининг миқдорларини қайд қилувчи назорат приборларининг кўрсаткичлари асосида аниқланади.</div></div><div class="TEXT_HEADER_DEFAULT lx_elem" onmousemove="lx_mo(event,1772856)"><div class="lx_elem2"><div class="lx_elem3"><span onclick="lx_sf(1772856)"><img src="/img/cmt.svg" />Предложения по документу</span><span onclick="lx_pa(1772856)"><img src="/img/vlm.svg" />Прослушать аудио</span><span onclick="lx_cl(1772856)"><img src="/img/lnk.svg" />Получить ссылку из элемента документа</span></div></div><div name="1772856" id="1772856">2-§. СУВЛИ ИССИҚЛИК ИСТЕЪМОЛИ ТИЗИМЛАРИДА ҚАБУЛ ҚИЛИНГАН ИССИҚЛИК ЭНЕРГИЯСИНИ ВА ИССИҚЛИК ЭЛТУВЧИЛАРНИНГ МИҚДОРИНИ АНИҚЛАШ</div></div><div class="ACT_TEXT lx_elem" onmousemove="lx_mo(event,1772858)"><div class="lx_elem2"><div class="lx_elem3"><span onclick="lx_sf(1772858)"><img src="/img/cmt.svg" />Предложения по документу</span><span onclick="lx_pa(1772858)"><img src="/img/vlm.svg" />Прослушать аудио</span><span onclick="lx_cl(1772858)"><img src="/img/lnk.svg" />Получить ссылку из элемента документа</span></div></div><div name="1772858" id="1772858">13. Иссиқлик энергиясининг ва иссиқлик элтувчиларнинг миқдорини, иссиқлик элтувчининг ўлчанадиган ва қайд қилинадиган параметрларини ҳисобга олиш нуқталарини жойлаштириш сувли иссиқлик истеъмолини очиқ тизимлар учун <a href="/ru/docs/1771804#1773356">3-расмда</a> келтирилган, ёпиқ тизимлари учун эса <a href="/ru/docs/1771804#1775335">4-расмда</a> келтирилган схема асосида амалга оширилади.</div></div><div class="ACT_TEXT lx_elem" onmousemove="lx_mo(event,1772860)"><div class="lx_elem2"><div class="lx_elem3"><span onclick="lx_sf(1772860)"><img src="/img/cmt.svg" />Предложения по документу</span><span onclick="lx_pa(1772860)"><img src="/img/vlm.svg" />Прослушать аудио</span><span onclick="lx_cl(1772860)"><img src="/img/lnk.svg" />Получить ссылку из элемента документа</span></div></div><div name="1772860" id="1772860">14. Шартномада белгиланган давр учун, истеъмолчини ҳисобга олиш иссиқлик пунктида ўрнатилган иссиқлик энергиясини ҳисобга олиш приборлари ҳамда, назорат қилиш приборларининг кўрсаткичлари асосида, истеъмолчи томонидан қабул қилинган иссиқлик энергияси ва иссиқлик элтувчининг миқдори энергия таъминловчи корхона томонидан, қуйидаги формула бўйича аниқланади:</div></div><div class="TEXT_CENTER lx_elem" onmousemove="lx_mo(event,1773206)"><div class="lx_elem2"><div class="lx_elem3"><span onclick="lx_sf(1773206)"><img src="/img/cmt.svg" />Предложения по документу</span><span onclick="lx_pa(1773206)"><img src="/img/vlm.svg" />Прослушать аудио</span><span onclick="lx_cl(1773206)"><img src="/img/lnk.svg" />Получить ссылку из элемента документа</span></div></div><div name="1773206" id="1773206"><em>Q = Q<sub>C</sub>+Q<sub>Й</sub>+c(G<sub>Т</sub> +G<sub>ИC</sub>+G<sub>СЧ</sub>)(t<sub>2</sub>-t<sub>CC</sub>)•10<sup>-3</sup></em> (Гкал) (3)</div></div><div class="ACT_TEXT lx_elem" onmousemove="lx_mo(event,1773215)"><div class="lx_elem2"><div class="lx_elem3"><span onclick="lx_sf(1773215)"><img src="/img/cmt.svg" />Предложения по документу</span><span onclick="lx_pa(1773215)"><img src="/img/vlm.svg" />Прослушать аудио</span><span onclick="lx_cl(1773215)"><img src="/img/lnk.svg" />Получить ссылку из элемента документа</span></div></div><div name="1773215" id="1773215">бу ерда:</div></div><div class="ACT_TEXT lx_elem" onmousemove="lx_mo(event,1773221)"><div class="lx_elem2"><div class="lx_elem3"><span onclick="lx_sf(1773221)"><img src="/img/cmt.svg" />Предложения по документу</span><span onclick="lx_pa(1773221)"><img src="/img/vlm.svg" />Прослушать аудио</span><span onclick="lx_cl(1773221)"><img src="/img/lnk.svg" />Получить ссылку из элемента документа</span></div></div><div name="1773221" id="1773221">Q<sub>C</sub> — иссиқлик энергиясини ҳисобга олиш приборининг кўрсаткичлари асосида истеъмолчи томонидан сарфланган иссиқлик энергияси, (Гкал);</div></div><div class="ACT_TEXT lx_elem" onmousemove="lx_mo(event,1773228)"><div class="lx_elem2"><div class="lx_elem3"><span onclick="lx_sf(1773228)"><img src="/img/cmt.svg" />Предложения по документу</span><span onclick="lx_pa(1773228)"><img src="/img/vlm.svg" />Прослушать аудио</span><span onclick="lx_cl(1773228)"><img src="/img/lnk.svg" />Получить ссылку из элемента документа</span></div></div><div name="1773228" id="1773228">Q<sub>Й</sub> — истеъмолчини иссиқлик тармоғининг баланс бўйича мансублик чегарасидан унинг ҳисобга олиш узелигача бўлган қисмидаги иссиқликни йўқотиш. Агар ҳисобга олиш узели баланс бўйича мансублик чегарасидан ташқарида жиҳозланган бўлса, бу катталик Шартномада кўрсатиб ўтилади ва ҳисобга олинади, (Гкал);</div></div><div class="ACT_TEXT lx_elem" onmousemove="lx_mo(event,1773323)"><div class="lx_elem2"><div class="lx_elem3"><span onclick="lx_sf(1773323)"><img src="/img/cmt.svg" />Предложения по документу</span><span onclick="lx_pa(1773323)"><img src="/img/vlm.svg" />Прослушать аудио</span><span onclick="lx_cl(1773323)"><img src="/img/lnk.svg" />Получить ссылку из элемента документа</span></div></div><div name="1773323" id="1773323">G<sub>T</sub> — истеъмолчи томонидан иситиш тизимларини тўйинтириш учун сарфланган, сув сарфи ҳисоблагичининг кўрсаткичлари асосида аниқланган сув миқдори (иссиқлик тармоқларига боғлиқ бўлмаган схемаси асосида уланган тизимлар учун ҳисобга олинади) (т);</div></div><div class="ACT_TEXT lx_elem" onmousemove="lx_mo(event,1773324)"><div class="lx_elem2"><div class="lx_elem3"><span onclick="lx_sf(1773324)"><img src="/img/cmt.svg" />Предложения по документу</span><span onclick="lx_pa(1773324)"><img src="/img/vlm.svg" />Прослушать аудио</span><span onclick="lx_cl(1773324)"><img src="/img/lnk.svg" />Получить ссылку из элемента документа</span></div></div><div name="1773324" id="1773324">G<sub>ИС</sub> — истеъмолчи томонидан тармоқдан олиниб сарфланган, сув сарфи ҳисоблагичининг кўрсаткичлари асосида аниқланган сув миқдори (иссиқлик истеъмолини очиқ тизимлари учун ҳисобга олинади) [т];</div></div><div class="ACT_TEXT lx_elem" onmousemove="lx_mo(event,1773327)"><div class="lx_elem2"><div class="lx_elem3"><span onclick="lx_sf(1773327)"><img src="/img/cmt.svg" />Предложения по документу</span><span onclick="lx_pa(1773327)"><img src="/img/vlm.svg" />Прослушать аудио</span><span onclick="lx_cl(1773327)"><img src="/img/lnk.svg" />Получить ссылку из элемента документа</span></div></div><div name="1773327" id="1773327">G<sub>СЧ</sub> — иссиқлик истеъмоли тизимларида сизиб чиққан сувнинг миқдори. Унинг катталиги, узатувчи қувурда ўрнатилган сув сарфини ҳисоблагичнинг кўрсаткичлари асосида тармоқ суви миқдори G<sub>1</sub> ва қайтарувчи қувурда ҳамда иссиқ сув таъминоти қувури ўрнатилган сув сарфи ҳисоблагичларининг кўрсатгичлари асосида тармоқ суви миқдори йиғиндисининг (G<sub>2</sub>+G<sub>ИC</sub>) айирмаси билан аниқланади,</div></div><div class="TEXT_CENTER lx_elem" onmousemove="lx_mo(event,1773330)"><div class="lx_elem2"><div class="lx_elem3"><span onclick="lx_sf(1773330)"><img src="/img/cmt.svg" />Предложения по документу</span><span onclick="lx_pa(1773330)"><img src="/img/vlm.svg" />Прослушать аудио</span><span onclick="lx_cl(1773330)"><img src="/img/lnk.svg" />Получить ссылку из элемента документа</span></div></div><div name="1773330" id="1773330">G<sub>сч</sub> = [G<sub>1</sub>-(G<sub>2</sub> + G<sub>ис</sub>)] , [т];</div></div><div class="ACT_TEXT lx_elem" onmousemove="lx_mo(event,1773353)"><div class="lx_elem2"><div class="lx_elem3"><span onclick="lx_sf(1773353)"><img src="/img/cmt.svg" />Предложения по документу</span><span onclick="lx_pa(1773353)"><img src="/img/vlm.svg" />Прослушать аудио</span><span onclick="lx_cl(1773353)"><img src="/img/lnk.svg" />Получить ссылку из элемента документа</span></div></div><div name="1773353" id="1773353">t<sub>2</sub> — истеъмолчининг қайтарувчи қувуридаги тармоқ сувининг ҳарорати,°С ;</div></div><div class="ACT_TEXT lx_elem" onmousemove="lx_mo(event,1773354)"><div class="lx_elem2"><div class="lx_elem3"><span onclick="lx_sf(1773354)"><img src="/img/cmt.svg" />Предложения по документу</span><span onclick="lx_pa(1773354)"><img src="/img/vlm.svg" />Прослушать аудио</span><span onclick="lx_cl(1773354)"><img src="/img/lnk.svg" />Получить ссылку из элемента документа</span></div></div><div name="1773354" id="1773354">t<sub>CC</sub> — иссиқлик манбаида иссиқлик таъминоти тизимларининг тўйинтириш учун фойдаланган совуқ сувнинг кўриладиган давр оралиғидаги ўртача ҳарорати, °С.</div></div><div class="ACT_TEXT lx_elem" onmousemove="lx_mo(event,1773355)"><div class="lx_elem2"><div class="lx_elem3"><span onclick="lx_sf(1773355)"><img src="/img/cmt.svg" />Предложения по документу</span><span onclick="lx_pa(1773355)"><img src="/img/vlm.svg" />Прослушать аудио</span><span onclick="lx_cl(1773355)"><img src="/img/lnk.svg" />Получить ссылку из элемента документа</span></div></div><div name="1773355" id="1773355">15. Фақат иссиқлик элтувчининг миқдори ҳисобга олишни назорат қилиш приборлари ёрдамида аниқланадиган иссиқлик истеъмоли тизимларида сарф қилинган иссиқлик энергияси Qc қуйидаги формула ёрдамида топилади:</div></div><div class="TEXT_CENTER lx_elem" onmousemove="lx_mo(event,1773356)"><div class="lx_elem2"><div class="lx_elem3"><span onclick="lx_sf(1773356)"><img src="/img/cmt.svg" />Предложения по документу</span><span onclick="lx_pa(1773356)"><img src="/img/vlm.svg" />Прослушать аудио</span><span onclick="lx_cl(1773356)"><img src="/img/lnk.svg" />Получить ссылку из элемента документа</span></div></div><div name="1773356" id="1773356"><img src="/ru/files/1791442" /></div></div><div class="FOOTNOTE lx_elem" onmousemove="lx_mo(event,1791445)"><div class="lx_elem2"><div class="lx_elem3"><span onclick="lx_sf(1791445)"><img src="/img/cmt.svg" />Предложения по документу</span><span onclick="lx_pa(1791445)"><img src="/img/vlm.svg" />Прослушать аудио</span><span onclick="lx_cl(1791445)"><img src="/img/lnk.svg" />Получить ссылку из элемента документа</span></div></div><div name="1791445" id="1791445">3-расм. Сувли иссиқлик таъминотининг очиқ тизимида иссиқлик энергиясини ва иссиқлик элтувчи миқдорини ҳамда иссиқлик элтувчининг қайд қилинган параметрларини ҳисобга олиш нуқталарини ўрнатиш схемаси.</div></div><div class="TEXT_CENTER lx_elem" onmousemove="lx_mo(event,1775335)"><div class="lx_elem2"><div class="lx_elem3"><span onclick="lx_sf(1775335)"><img src="/img/cmt.svg" />Предложения по документу</span><span onclick="lx_pa(1775335)"><img src="/img/vlm.svg" />Прослушать аудио</span><span onclick="lx_cl(1775335)"><img src="/img/lnk.svg" />Получить ссылку из элемента документа</span></div></div><div name="1775335" id="1775335"><img src="/ru/files/1791446" /></div></div><div class="FOOTNOTE lx_elem" onmousemove="lx_mo(event,1791447)"><div class="lx_elem2"><div class="lx_elem3"><span onclick="lx_sf(1791447)"><img src="/img/cmt.svg" />Предложения по документу</span><span onclick="lx_pa(1791447)"><img src="/img/vlm.svg" />Прослушать аудио</span><span onclick="lx_cl(1791447)"><img src="/img/lnk.svg" />Получить ссылку из элемента документа</span></div></div><div name="1791447" id="1791447">4-расм. Сувли иссиқлик таъминотининг ёпиқ тизимида иссиқлик энергиясини ва иссиқлик элтувчи миқдорини ҳамда иссиқлик элтувчининг қайд қилинган параметрларини ҳисобга олиш нуқталарини ўрнатиш схемаси.</div></div><div class="TEXT_CENTER lx_elem" onmousemove="lx_mo(event,1775340)"><div class="lx_elem2"><div class="lx_elem3"><span onclick="lx_sf(1775340)"><img src="/img/cmt.svg" />Предложения по документу</span><span onclick="lx_pa(1775340)"><img src="/img/vlm.svg" />Прослушать аудио</span><span onclick="lx_cl(1775340)"><img src="/img/lnk.svg" />Получить ссылку из элемента документа</span></div></div><div name="1775340" id="1775340"><em>Q<sub>C</sub> =cG<sub>1</sub>(t<sub>1</sub>-t<sub>2</sub>)</em> 10<sup>-3</sup>, (Гкал) (4)</div></div><div class="ACT_TEXT lx_elem" onmousemove="lx_mo(event,1775341)"><div class="lx_elem2"><div class="lx_elem3"><span onclick="lx_sf(1775341)"><img src="/img/cmt.svg" />Предложения по документу</span><span onclick="lx_pa(1775341)"><img src="/img/vlm.svg" />Прослушать аудио</span><span onclick="lx_cl(1775341)"><img src="/img/lnk.svg" />Получить ссылку из элемента документа</span></div></div><div name="1775341" id="1775341">бу ерда:</div></div><div class="ACT_TEXT lx_elem" onmousemove="lx_mo(event,1775345)"><div class="lx_elem2"><div class="lx_elem3"><span onclick="lx_sf(1775345)"><img src="/img/cmt.svg" />Предложения по документу</span><span onclick="lx_pa(1775345)"><img src="/img/vlm.svg" />Прослушать аудио</span><span onclick="lx_cl(1775345)"><img src="/img/lnk.svg" />Получить ссылку из элемента документа</span></div></div><div name="1775345" id="1775345">G<sub>1</sub> — истеъмолчи томонидан қабул қилинган ва унинг ҳисобга олишни назорат қилиш приборлари ёрдамида ўлчанган, узатувчи қувурдаги тармоқ сувининг [т];</div></div><div class="ACT_TEXT lx_elem" onmousemove="lx_mo(event,1775348)"><div class="lx_elem2"><div class="lx_elem3"><span onclick="lx_sf(1775348)"><img src="/img/cmt.svg" />Предложения по документу</span><span onclick="lx_pa(1775348)"><img src="/img/vlm.svg" />Прослушать аудио</span><span onclick="lx_cl(1775348)"><img src="/img/lnk.svg" />Получить ссылку из элемента документа</span></div></div><div name="1775348" id="1775348">t<sub>1</sub> — узатувчи қувурдаги тармоқ сувининг ҳарорати, °С ; </div></div><div class="ACT_TEXT lx_elem" onmousemove="lx_mo(event,1775350)"><div class="lx_elem2"><div class="lx_elem3"><span onclick="lx_sf(1775350)"><img src="/img/cmt.svg" />Предложения по документу</span><span onclick="lx_pa(1775350)"><img src="/img/vlm.svg" />Прослушать аудио</span><span onclick="lx_cl(1775350)"><img src="/img/lnk.svg" />Получить ссылку из элемента документа</span></div></div><div name="1775350" id="1775350">t<sub>2</sub> — қайтарувчи қувурдаги тармоқ сувининг ҳарорати, °С ;</div></div><div class="TEXT_HEADER_DEFAULT lx_elem" onmousemove="lx_mo(event,1775358)"><div class="lx_elem2"><div class="lx_elem3"><span onclick="lx_sf(1775358)"><img src="/img/cmt.svg" />Предложения по документу</span><span onclick="lx_pa(1775358)"><img src="/img/vlm.svg" />Прослушать аудио</span><span onclick="lx_cl(1775358)"><img src="/img/lnk.svg" />Получить ссылку из элемента документа</span></div></div><div name="1775358" id="1775358">3-§. БУҒЛИ ИССИҚЛИК ИСТЕЪМОЛИНИНГ ТИЗИМЛАРИДА ҚАБУЛ ҚИЛИНГАН ИССИҚЛИК ЭНЕРГИЯСИ ВА ИССИҚЛИК ЭЛТУВЧИЛАРНИ АНИҚЛАШ</div></div><div class="ACT_TEXT lx_elem" onmousemove="lx_mo(event,1775360)"><div class="lx_elem2"><div class="lx_elem3"><span onclick="lx_sf(1775360)"><img src="/img/cmt.svg" />Предложения по документу</span><span onclick="lx_pa(1775360)"><img src="/img/vlm.svg" />Прослушать аудио</span><span onclick="lx_cl(1775360)"><img src="/img/lnk.svg" />Получить ссылку из элемента документа</span></div></div><div name="1775360" id="1775360">16. Буғли иссиқлик истеъмоли тизимларида иссиқлик энергияси ва иссиқлик элтувчининг миқдори, шунингдек иссиқлик элтувчининг ўлчанадиган ва қайд этиладиган параметрларини ҳисобга олиш нуқталарини жойлаштириш 5-расмда келтирилган <a href="/ru/docs/1771804#1775444">схема</a> асосида амалга оширилади.</div></div><div class="ACT_TEXT lx_elem" onmousemove="lx_mo(event,1775361)"><div class="lx_elem2"><div class="lx_elem3"><span onclick="lx_sf(1775361)"><img src="/img/cmt.svg" />Предложения по документу</span><span onclick="lx_pa(1775361)"><img src="/img/vlm.svg" />Прослушать аудио</span><span onclick="lx_cl(1775361)"><img src="/img/lnk.svg" />Получить ссылку из элемента документа</span></div></div><div name="1775361" id="1775361">17. Истеъмолчи томонидан Шартномада белгиланган давр учун қабул қилинган иссиқлик энергияси ва иссиқлик элтувчининг миқдори иссиқлик таъминоти корхонаси томонидан, истеъмолчининг ҳисобга олиш иссиқлик пунктининг приборларини кўрсаткичлари асосида, қуйидаги формула ёрдамида аниқланади:</div></div><div class="TEXT_CENTER lx_elem" onmousemove="lx_mo(event,1775369)"><div class="lx_elem2"><div class="lx_elem3"><span onclick="lx_sf(1775369)"><img src="/img/cmt.svg" />Предложения по документу</span><span onclick="lx_pa(1775369)"><img src="/img/vlm.svg" />Прослушать аудио</span><span onclick="lx_cl(1775369)"><img src="/img/lnk.svg" />Получить ссылку из элемента документа</span></div></div><div name="1775369" id="1775369"><em>Q = Q<sub>C</sub>+Q<sub>Й</sub>+c(D-G<sub>K</sub>)(t<sub>К</sub> – t<sub>СС</sub>)</em> • 10<sup>-3</sup>, GJ (Гкал) (5)</div></div><div class="ACT_TEXT lx_elem" onmousemove="lx_mo(event,1775371)"><div class="lx_elem2"><div class="lx_elem3"><span onclick="lx_sf(1775371)"><img src="/img/cmt.svg" />Предложения по документу</span><span onclick="lx_pa(1775371)"><img src="/img/vlm.svg" />Прослушать аудио</span><span onclick="lx_cl(1775371)"><img src="/img/lnk.svg" />Получить ссылку из элемента документа</span></div></div><div name="1775371" id="1775371">бу ерда:</div></div><div class="ACT_TEXT lx_elem" onmousemove="lx_mo(event,1775374)"><div class="lx_elem2"><div class="lx_elem3"><span onclick="lx_sf(1775374)"><img src="/img/cmt.svg" />Предложения по документу</span><span onclick="lx_pa(1775374)"><img src="/img/vlm.svg" />Прослушать аудио</span><span onclick="lx_cl(1775374)"><img src="/img/lnk.svg" />Получить ссылку из элемента документа</span></div></div><div name="1775374" id="1775374">Q<sub>C </sub>— иссиқликни ҳисобга олиш приборларининг кўрсаткичлари бўйича аниқланган иссиқлик энергияси (Гкал);</div></div><div class="ACT_TEXT lx_elem" onmousemove="lx_mo(event,1775434)"><div class="lx_elem2"><div class="lx_elem3"><span onclick="lx_sf(1775434)"><img src="/img/cmt.svg" />Предложения по документу</span><span onclick="lx_pa(1775434)"><img src="/img/vlm.svg" />Прослушать аудио</span><span onclick="lx_cl(1775434)"><img src="/img/lnk.svg" />Получить ссылку из элемента документа</span></div></div><div name="1775434" id="1775434">tкj — конденсат қувуридаги конденсатнинг ҳарорати, °С;</div></div><div class="TEXT_CENTER lx_elem" onmousemove="lx_mo(event,1775444)"><div class="lx_elem2"><div class="lx_elem3"><span onclick="lx_sf(1775444)"><img src="/img/cmt.svg" />Предложения по документу</span><span onclick="lx_pa(1775444)"><img src="/img/vlm.svg" />Прослушать аудио</span><span onclick="lx_cl(1775444)"><img src="/img/lnk.svg" />Получить ссылку из элемента документа</span></div></div><div name="1775444" id="1775444"><img src="/ru/files/1791448" /></div></div><div class="FOOTNOTE lx_elem" onmousemove="lx_mo(event,1791449)"><div class="lx_elem2"><div class="lx_elem3"><span onclick="lx_sf(1791449)"><img src="/img/cmt.svg" />Предложения по документу</span><span onclick="lx_pa(1791449)"><img src="/img/vlm.svg" />Прослушать аудио</span><span onclick="lx_cl(1791449)"><img src="/img/lnk.svg" />Получить ссылку из элемента документа</span></div></div><div name="1791449" id="1791449">5 расм. Буғли иссиқлик истеъмоли тизимларида иссиқлик энергияси ва иссиқлик элтувчининг миқдори, шунингдек иссиқлик элтувчининг қайд этиладиган параметрларини ҳисобга олиш нуқталарини ўрнатиш схемаси.</div></div><div class="BY_DEFAULT lx_elem" onmousemove="lx_mo(event,1775446)"><div class="lx_elem2"><div class="lx_elem3"><span onclick="lx_sf(1775446)"><img src="/img/cmt.svg" />Предложения по документу</span><span onclick="lx_pa(1775446)"><img src="/img/vlm.svg" />Прослушать аудио</span><span onclick="lx_cl(1775446)"><img src="/img/lnk.svg" />Получить ссылку из элемента документа</span></div></div><div name="1775446" id="1775446"></div></div><div class="APPL_BANNER_LANDSCAPE_TITLE lx_elem" onmousemove="lx_mo(event,1775449)"><div class="lx_elem2"><div class="lx_elem3"><span onclick="lx_sf(1775449)"><img src="/img/cmt.svg" />Предложения по документу</span><span onclick="lx_pa(1775449)"><img src="/img/vlm.svg" />Прослушать аудио</span><span onclick="lx_cl(1775449)"><img src="/img/lnk.svg" />Получить ссылку из элемента документа</span></div></div><div name="1775449" id="1775449">Иссиқлик энергиясини ва иссиқлик элтувчиларни ҳисобга олиш <a href="/ru/docs/1771804#1771927">қоидаларига</a> <br />2-ИЛОВА </div></div><div class="ACT_TITLE_APPL lx_elem" onmousemove="lx_mo(event,1775457)"><div class="lx_elem2"><div class="lx_elem3"><span onclick="lx_sf(1775457)"><img src="/img/cmt.svg" />Предложения по документу</span><span onclick="lx_pa(1775457)"><img src="/img/vlm.svg" />Прослушать аудио</span><span onclick="lx_cl(1775457)"><img src="/img/lnk.svg" />Получить ссылку из элемента документа</span></div></div><div name="1775457" id="1775457">Шартли белгилар </div></div><div class="BY_DEFAULT lx_elem" onmousemove="lx_mo(event,1775458)"><div class="lx_elem2"><div class="lx_elem3"><span onclick="lx_sf(1775458)"><img src="/img/cmt.svg" />Предложения по документу</span><span onclick="lx_pa(1775458)"><img src="/img/vlm.svg" />Прослушать аудио</span><span onclick="lx_cl(1775458)"><img src="/img/lnk.svg" />Получить ссылку из элемента документа</span></div></div><div name="1775458" id="1775458"></div></div><div class="TEXT_CENTER lx_elem" onmousemove="lx_mo(event,1775559)"><div class="lx_elem2"><div class="lx_elem3"><span onclick="lx_sf(1775559)"><img src="/img/cmt.svg" />Предложения по документу</span><span onclick="lx_pa(1775559)"><img src="/img/vlm.svg" />Прослушать аудио</span><span onclick="lx_cl(1775559)"><img src="/img/lnk.svg" />Получить ссылку из элемента документа</span></div></div><div name="1775559" id="1775559"><img src="/ru/files/1775561" /></div></div><div class="TEXT_CENTER lx_elem" onmousemove="lx_mo(event,1775535)"><div class="lx_elem2"><div class="lx_elem3"><span onclick="lx_sf(1775535)"><img src="/img/cmt.svg" />Предложения по документу</span><span onclick="lx_pa(1775535)"><img src="/img/vlm.svg" />Прослушать аудио</span><span onclick="lx_cl(1775535)"><img src="/img/lnk.svg" />Получить ссылку из элемента документа</span></div></div><div name="1775535" id="1775535"><img src="/ru/files/1775531" /></div></div></div>
                                            </div>
                                        </div>
                                    </div>
                                
                                
                                
                            </div>
                        </div>
                    </div>
                </div>
            </div>
            
            <div class="lx_revive_adserver">
                

<script type='text/javascript'><!--//<![CDATA[
    var m3_u = (location.protocol == 'https:' ? 'https://rk.adolatmarkazi.uz/www/delivery/ajs.php' : 'http://rk.adolatmarkazi.uz/www/delivery/ajs.php');
    var m3_r = Math.floor(Math.random() * 99999999999);
    if (!document.MAX_used) document.MAX_used = ',';
    document.write("<scr" + "ipt type='text/javascript' src='" + m3_u);
    document.write("?zoneid=8");
    document.write('&amp;cb=' + m3_r);
    if (document.MAX_used != ',') document.write("&amp;exclude=" + document.MAX_used);
    document.write(document.charset ? '&amp;charset=' + document.charset : (document.characterSet ? '&amp;charset=' + document.characterSet : ''));
    document.write("&amp;loc=" + escape(window.location));
    if (document.referrer) document.write("&amp;referer=" + escape(document.referrer));
    if (document.context) document.write("&context=" + escape(document.context));
    document.write("'><\/scr" + "ipt>");
    //]]>--></script>

            </div>
            
        </main>
        <div class="skiptranslate">
            
<footer class="footer">
    
    <div class="footer__top">
        <div class="container">
            <div class="footer__links">
                <div class="footer__links-ads">
                    <a href="/ru/about">О Центре</a>
                </div>
                <div class="footer__links-ads">
                    <a href="/ru/news">Новости сайта</a>
                </div>
                <div class="footer__links-ads">
                    <a href="/ru/adv">Реклама на сайте</a>
                </div>
                <div class="footer__links-ads">
                    <a href="/ru/rss">RSS</a>
                </div>
            </div>
            
            <div class="footer__app">
                <div class="footer__app-download">
                    <a target="_blank" href="https://play.google.com/store/apps/details?id=uz.lex.mobile">
                        <img src="/assets/img/google_app.svg"></a>
                </div>
                <div class="footer__app-download">
                    <a target="_blank" href="https://apps.apple.com/us/app/lexuz/id1608798574">
                        <img src="/assets/img/app_store.png"></a>
                </div>
            </div>
            <div class="footer__icon">
                <div class="footer__icons">
                    <a target="_blank" href="https://t.me/lexuzofficial"><i class="fab fa-telegram-plane"></i></a>
                </div>
                <div class="footer__icons">
                    <a target="_blank" href="https://www.facebook.com/minjustuz"><i class="fab fa-facebook-f"></i></a>
                </div>
                <div class="footer__icons">
                    <a target="_blank" href="https://www.instagram.com/adliyanews/"><i class="fab fa-instagram-square"></i></a>
                </div>
                <div class="footer__icons">
                    <a target="_blank" href="https://www.youtube.com/c/adliya"><i class="fab fa-youtube"></i></a>
                </div>
            </div>
            <div style="float: right; top: -30px; margin-top: -44px;">
<!-- START WWW.UZ TOP-RATING -->
<SCRIPT language="javascript" type="text/javascript">
		<!--
		top_js = "1.0"; top_r = "id=4079&r=" + escape(document.referrer) + "&pg=" + escape(window.location.href); document.cookie = "smart_top=1; path=/"; top_r += "&c=" + (document.cookie ? "Y" : "N")
		//-->
</SCRIPT>
<SCRIPT language="javascript1.1" type="text/javascript">
<!--
		top_js = "1.1"; top_r += "&j=" + (navigator.javaEnabled() ? "Y" : "N")
//-->
</SCRIPT>
<SCRIPT language="javascript1.2" type="text/javascript">
<!--
		top_js = "1.2"; top_r += "&wh=" + screen.width + 'x' + screen.height + "&px=" + (((navigator.appName.substring(0, 3) == "Mic")) ? screen.colorDepth : screen.pixelDepth)
//-->
</SCRIPT>
<SCRIPT language="javascript1.3" type="text/javascript">
<!--
		top_js = "1.3";
//-->
</SCRIPT>
<SCRIPT language="JavaScript" type="text/javascript">
		<!--
		top_rat = "&col=0C57A6&t=ffffff&p=DD7900"; top_r += "&js=" + top_js + ""; document.write('<a href="https://www.uz/rus/toprating/cmd/stat/id/4079" target="_blank"><img src="https://www.uz/plugins/top_rating/count/cnt.png?' + top_r + top_rat + '" width=88 height=31 border=0 alt="Топ рейтинг www.uz"></a>')//-->
</SCRIPT>
<NOSCRIPT>
		<A href="https://www.uz/rus/toprating/cmd/stat/id/4079" target="_blank">
				<img height="31" src="https://www.uz/plugins/top_rating/count/nojs_cnt.png?id=4079&pg=http%3A//lex.uz&col=0C57A6&t=ffffff&p=DD7900" width="88" border="0" alt="Топ рейтинг www.uz">
		</A>
</NOSCRIPT>
<!-- FINISH WWW.UZ TOP-RATING --></div>
            
        </div>
    </div>
    
    <div class="footer__bottom">
        <div class="container">
            <div class="footer__bottom-desc">&copy; Государственное учреждение «Национальный правовой информационный центр «Адолат» при Министерстве юстиции Республики Узбекистан»</div>
        </div>
    </div>
</footer>
<div id="lx_alert" style="display: none;">
    <div class="lx_alert_content">
        <div class="lx_alert_body">
            <div id="lx_alert_message"></div>
        </div>
        <div class="lx_alert_footer">
            <button id="lx_alert_close" type="button" class="btn btn-primary" onclick="lxCloseAlert();">Закрыть</button>
        </div>
    </div>
</div>
<span id="lx_btn_up" onclick="lx_btn_up_top()" title="">
    <svg viewBox="0 0 512 512">
        <path fill="currentColor" d="M256 504c137 0 248-111 248-248S393 8 256 8 8 119 8 256s111 248 248 248zm0-448c110.5 0 200 89.5 200 200s-89.5 200-200 200S56 366.5 56 256 145.5 56 256 56zm20 328h-40c-6.6 0-12-5.4-12-12V256h-67c-10.7 0-16-12.9-8.5-20.5l99-99c4.7-4.7 12.3-4.7 17 0l99 99c7.6 7.6 2.2 20.5-8.5 20.5h-67v116c0 6.6-5.4 12-12 12z"></path></svg>
</span>

        </div>
        <div id="lx_md_send_feedback" class="modal" tabindex="-1" role="dialog">
            <div class="modal-dialog" role="document" style="max-width: 40rem; max-height: 90vh;">
                <div class="modal-content">
                    <div class="modal-header" style="display: block;">
                        <button type="button" class="close" data-dismiss="modal" aria-label="Close">
                            <span aria-hidden="true">&times;</span>
                        </button>
                        <h3 class="modal-title">Предложения по документу</h3>
                    </div>
                    <div class="modal-body">
                        <div class="form-group">
                            <select class="lx_select2_filter select2 form-control" id="lx_feedback_type" onchange="feedback_type_changed(this)">
                                <option value="" selected>Выберите тип предложения</option>
                                <option value="1">Предложение по документу</option>
                                <option value="2">Техническая ошибка</option>
                            </select>
                        </div>
                        <div class="form-group">
                            <input id="lx_feedback_from" type="text" class="form-control" placeholder="Фамилия, имя, отчество" />
                        </div>
                        <div class="form-group row">
                            <div class="col-6">
                                <input id="lx_feedback_phone" type="text" class="form-control" placeholder="Телефон" />
                            </div>
                            <div class="col-6">
                                <input id="lx_feedback_email" type="text" class="form-control" placeholder="Email" />
                            </div>
                        </div>
                        <div class="form-group">
                            <textarea id="lx_feedback_text" class="form-control" rows="7" maxlength="2000" style="resize: vertical; max-height: 600px;" placeholder="Текст"></textarea>
                        </div>
                        <div class="form-group">
                            <div class="custom-control custom-checkbox mb-2">
                                <input class="custom-control-input" id="lx_feedback_legis" type="checkbox" onchange="lx_feedback_legis_changed(this)">
                                <label class="custom-control-label" for="lx_feedback_legis">Ознакомился с <a href="https://lex.uz/" target="_blank" style="color:#0064a9">правилами</a> внесения предложений в законодательство</label>
                            </div>
                        </div>
                    </div>
                    <div class="modal-footer" id="sendFeedback_group" style="display: none;">
                        <div id="dvCaptcha2"></div>
                        <input type="hidden" id="captcha_res2" />
                        <button type="button" class="btn btn-success" id="btn_sendFeedbackToDb" style="display: none;" onclick="sendFeedbackToDb(1771804, 1);">Отправить</button>
                        <button type="button" class="btn btn-danger" id="btn_sendFeedbackCancel" data-dismiss="modal">Отменить</button>
                    </div>
                </div>
            </div>
        </div>
        <div class="modal fade" id="modalShowCard" tabindex="-1" role="dialog" aria-hidden="true" style="z-index: 9000;">
            <div class="modal-dialog" style="margin: 0;">
                <div class="modal-content" style="background: #eee; width: 90vw; height: 92vh; left: 5vw; top: 4vh;">
                    <div class="modal-header" style="padding: 0 4px 0 0; display: block;">
                        <button type="button" class="close" data-dismiss="modal" style="margin: 0">&times;</button>
                    </div>
                    <div class="modal-body" style="padding: 0 4px; margin: 0;">
                        <iframe id="iframeShowCard" style="width: 100%; height: 100%; border: none;"></iframe>
                    </div>
                </div>
            </div>
        </div>
        <button id="lxPlayButton"></button>
        <button id="lxPlayLang" style="display: none">3</button>
        
        <script type="text/javascript">
            function googleTranslateElementInit() {
                new google.translate.TranslateElement({
                    pageLanguage: 'uz',
                    includedLanguages: 'sq,ar,hy,az,be,bn,bg,zh-CN,zh-TW,hr,cs,da,et,tl,fi,fr,ka,de,el,iw,hi,hu,is,id,it,ja,kk,ko,ky,lv,lt,ms,mn,no,ps,fa,pl,pt,ro,sr,sk,sl,es,sw,sv,tg,tt,th,tr,tk,uk,ur,ug,vi,en,ru',
                    layout: google.translate.TranslateElement.InlineLayout.SIMPLE
                }, 'google_translate_element');
            }
        </script>
        <script type="text/javascript" defer src="//translate.google.com/translate_a/element.js?cb=googleTranslateElementInit"></script>
        
        <script>
            const htmldark = document.getElementsByTagName('html')[0];

            if (localStorage.getItem("themes") === "light") {
                htmldark.dataset.theme = 'light';
            }
            else if (localStorage.getItem("themes") === "grey") {
                htmldark.dataset.theme = 'grey';
            }
            else if (localStorage.getItem("themes") === "dark") {
                htmldark.dataset.theme = 'dark';
            }
            const toggleTheme = (theme) => {
                htmldark.dataset.theme = theme;
                localStorage.setItem("themes", theme);
            }
        </script>
        <script>            
            
        </script>
        <script type="text/javascript">
            
            $("#docContent__sideBar-show").click(function () {
                if ($("body").hasClass("sidebar-show")) {
                    $("body").removeClass("sidebar-show")
                }
                else {
                    $("body").addClass("sidebar-show")
                }
            })
            
        </script>
    </div>
    <div style="display: none;"></div>
</body>
</html>

<script>
    function changeScrollType(obj) {
        if ($(obj)["0"].checked) {
            scrollIndependent();
        }
        else {
            scrollCommon();
        }
    }

    function scrollCommon() {
        $('#lang1').css('overflow', 'auto');
        $(".lang1, .lang2").removeAttr('overflow');
        $(".lang1, .lang2").css('overflow', 'hidden');
        $(".lang1, .lang2").css('height', 'auto');
        $(".lang1, .lang2").css('padding-right', '0');
        $("body").css('overflow', 'auto');
    }

    function scrollIndependent() {
        $('#actPage').removeAttr('overflow');
        $(".lang1, .lang2").css('height', ($(window).height() - 38) + "px");
        $(".lang1, .lang2").css('overflow', 'auto');
        $(".lang1, .lang2").css('padding-right', '5px');
        $("body").css('overflow', 'hidden');
    }

    function clickAllChk(item_id, chk, pref1, pref2) {
        $.each($('#' + pref1 + '_dropdown_check').find("INPUT[type='checkbox']"), function () {
            if ($(this).attr('id') != item_id) {
                $(this).prop('checked', chk.checked);
                if (!chk.checked) {
                    $.each($('div').find('#s' + $(this).attr('id').substring(2)), function () { $(this).parent().hide(); });
                }
                else {
                    $.each($('div').find('#s' + $(this).attr('id').substring(2)), function () { $(this).parent().show(); });
                }
            }
        });

        $.each($('#' + pref2 + '_dropdown_check').find("INPUT[type='checkbox']"), function () {
            $(this).attr('checked', chk.checked);
        });
    }

    function hideItem(chk) {
        var chk_id = chk.id.substring(2);
        if (!chk.checked) {
            $.each($('div').find('#s' + chk_id), function () {
                $(this).parent().hide();
            });
        }
        else {
            $.each($('div').find('#s' + chk_id), function () { $(this).parent().show(); });
        }
    }

    var showLexComments = false;

    function toggleLexComments() {
        if (showLexComments) {
            showLexComments = false;
            $("#t_btn_lex_comment").removeClass("active")
            $("#b_btn_lex_comment").removeClass("active")
            $.each($('div').find('#s527'), function () { $(this).parent().hide(); });
        }
        else {
            showLexComments = true;
            $("#t_btn_lex_comment").addClass("active")
            $("#b_btn_lex_comment").addClass("active")
            $.each($('div').find('#s527'), function () { $(this).parent().show(); });
        }
    }

    function scrollText(hash) {
        if (!hash) {
            window.scrollTo(0, 0);
            return;
        }
        history.pushState(null, '', '#' + hash);
        scrollToHash(hash);
    }

    function scrollToHash(hash, smooth = false) {
        const target = document.getElementById(hash);
        if (!target) return;
        const iframe = document.querySelector('.skiptranslate iframe');
        const iframeHeight = iframe ? iframe.offsetHeight : 0;
        const header = document.getElementById("doc_header");
        const headerHeight = header ? header.offsetHeight : 0;
        const y = target.getBoundingClientRect().top + window.pageYOffset - iframeHeight - headerHeight - 4;
        if (smooth) {
            setTimeout(() => { window.scrollTo(0, y); }, 100);
        } else {
            window.scrollTo(0, y);
        }
    }

    window.onload = function () {
        if (window.location.hash) {
            scrollToHash(window.location.hash.substring(1), true);
        }
    };

    window.addEventListener('hashchange', function () {
        if (window.location.hash) {
            scrollToHash(window.location.hash.substring(1));
        }
    });

    $(document).ready(function () {
        $('#search-criteria').on('input', function (e) {
            var txt = $('#search-criteria').val().toUpperCase();
            if (txt.length > 0) {
                $('.docNabvar__child').each(function () {
                    $(this).addClass('toc_show');
                });
                $('.search-text').each(function () {
                    var elem = $(this).closest('.search-toggle');
                    elem.removeClass('toc_show');
                    elem.removeClass('toc_hide');
                    if ($(this).text().toUpperCase().indexOf(txt) != -1) {
                        elem.addClass('toc_show');
                    } else {
                        elem.addClass('toc_hide');
                    }
                });
            }
            else {
                clearSearch();
            }
        });
    });

    function clearSearch() {
        $('#search-criteria').val('');
        $('.toc_show').each(function () {
            $(this).removeClass('toc_show');
        });
        $('.toc_hide').each(function () {
            $(this).removeClass('toc_hide');
        });
    }
</script>
<script>
    function addToFavorite() {
        $.ajax({
            type: "POST",
            url: "/pages/ajax_methods2.aspx",
            cache: false,
            data: {
                "action": "addToFavorite",
                "lact_id": "1771804",
                "lang": "1"
            },
            success: function (data) {
                var kvp = JSON.parse(data);
                lxAlert(kvp.message);
            },
            error: function () {
                lxAlert("Ошибка при сохранении!");
            }
        });
    }

    function showAddCard(tcard) {
        if (tcard < 1 || tcard > 6) {
            return;
        }

        $('#add_info').val('0').trigger('change');

        if (tcard == "1") {
            showIframeCard('/ru/actinfo/card1/1771804');
        }
        else if (tcard == "2") {
            showIframeCard('/ru/actinfo/card2/1771804');
        }
        else if (tcard == "3") {
            showIframeCard('/ru/actinfo/basrev/1771804');
        }
        else if (tcard == "4") {
            showIframeCard('/ru/actinfo/revhis/1771804');
        }
        else if (tcard == "5") {
            showIframeCard('/ru/actinfo/correspondents/1771804');
        }
        else if (tcard == "6") {
            showIframeCard('/ru/actinfo/respondents/1771804');
        }
    }

    function showIframeCard(_url) {
        $("#iframeShowCard").attr("src", _url);
        $('#modalShowCard').modal('show');
    }

    $('#modalShowCard').on('hidden.bs.modal', function () {
        $("#iframeShowCard").attr("src", "about:blank");  // clear after close
    });

    $(document).ready(function () {
        
    });
</script>
<script type="text/javascript">
    function downloadDoc() {
        window.location.href = "/ru/docs/1771804?type=doc";
    }

    function openTwoLang(lang_id) {
        window.location.href = "/ru/docs/1771804?otherlang=" + lang_id;
    }
</script>
<script>
    function lx_pa(elem_id) { lx_audio.playAudioByElemId(elem_id); }
    function lx_mo(e, elem_id) { lx_audio.moveElement(e, elem_id); }
    function a(event, word) { lx_def.showDef(event, '3', word); }
    function lx_cl(elem_id) {
        const link = window.location.origin + window.location.pathname + window.location.search + '#' + elem_id;
        navigator.clipboard.writeText(link)
            .then(() => {
                Swal.fire({
                    title: 'Ссылка скопирована',
                    text: link,
                    confirmButtonText: "Закрыть"
                });
            })
            .catch(err => {
                Swal.fire({
                    title: 'Error',
                    text: 'Failed to copy',
                    confirmButtonText: "Закрыть"
                });
            });
    }
    async function lx_bm(elem_id) {
        const link = window.location.pathname + window.location.search + '#' + elem_id;
        try {
            const lang_id = 1;
            const response = await fetch('/Pages/GetPage.aspx/SaveBookmark', {
                method: "POST",
                headers: { "Content-Type": "application/json" },
                body: JSON.stringify({ lang_id, link }),
            });
            if (response.ok) {
                const result = (await response.json()).d;
                lxAlert(result);
            } else {
                lxAlert('Техническая ошибка');
            }
        }
        catch (error) {
            lxAlert('Техническая ошибка');
        }
    }
</script>
<script>
    var dvCaptcha2;

    var onloadCallback = function () {
        dvCaptcha2 = grecaptcha.render('dvCaptcha2', {
            'sitekey': '6Lc4eUoUAAAAADW-S-YIn_F1v9K-G6154fgrBmQq',
            'callback': function (response) {
                $("[id*=captcha_res2]").val(response);
                $('#btn_sendFeedbackToDb').show();
                $('#btn_sendFeedbackCancel').hide();
            }
        });
    };

    var _elem_id;

    function lx_sf(elem_id) { // added to xml
        sendFeedback(elem_id);
    }

    function sendFeedback(elem_id) {
        _elem_id = elem_id;
        grecaptcha.reset(dvCaptcha2);
        $('#lx_feedback_from').val('');
        $('#lx_feedback_text').val('');
        $('#lx_feedback_phone').val('');
        $('#lx_feedback_email').val('');
        $('#captcha_res2').val('');
        $('#btn_sendFeedbackToDb').hide();
        $('#lx_md_send_feedback').modal({
            backdrop: 'static',
            keyboard: true
        });
        $('#lx_feedback_type').val('').trigger('change');
        $('#lx_feedback_legis').prop('checked', false).trigger('change');
    }

    function feedback_type_changed(sel) {
        if (sel.value == '1') {
            $('#lx_feedback_phone').show();
            $('#lx_feedback_email').show();
        }
        else {
            $('#lx_feedback_phone').hide();
            $('#lx_feedback_email').hide();
        }
    }

    function lx_feedback_legis_changed(checkbox) {
        if (checkbox.checked) {
            $('#sendFeedback_group').show();
        } else {
            $('#sendFeedback_group').hide();
        }
    }

    function sendFeedbackToDb(lact_id, lang_id) {
        var feedback_from = $('#lx_feedback_from').val().trim();
        var feedback_text = $('#lx_feedback_text').val().trim();
        var feedback_type = $('#lx_feedback_type').val().trim();
        var feedback_phone = $('#lx_feedback_phone').val().trim();
        var feedback_email = $('#lx_feedback_email').val().trim();
        var captcha_result = $('#captcha_res2').val();

        if (feedback_type != '1' && feedback_type != '2') {
            lxAlert('Выберите тип предложения!');
        }
        else if (feedback_from.length < 3 || feedback_from.length > 100) {
            lxAlert('Фамилия, имя, отчество!');
        }
        else if (feedback_text.length < 10) {
            lxAlert('Данные введены не полностью!');
        }
        else if (feedback_text.length > 2000) {
            lxAlert('Матн 2000 ҳарфдан кўп!')
        }
        else if (feedback_phone.length > 20) {
            lxAlert('Телефон!');
        }
        else if (feedback_email.length > 30) {
            lxAlert('Email!');
        }
        else {
            $.ajax({
                type: "POST",
                url: "/pages/ajax_methods2.aspx",
                data: {
                    'action': 'sendfeedback',
                    'lact_id': lact_id,
                    'lang_id': lang_id,
                    'element_id': _elem_id,
                    'feedback_from': encodeHtmlEntities(feedback_from),
                    'feedback_text': encodeHtmlEntities(feedback_text),
                    'feedback_type': encodeHtmlEntities(feedback_type),
                    'feedback_phone': encodeHtmlEntities(feedback_phone),
                    'feedback_email': encodeHtmlEntities(feedback_email),
                    'captcha_result': captcha_result
                },
                success: function (data) {
                    $('#lx_feedback_from').val('');
                    $('#lx_feedback_text').val('');
                    $('#lx_feedback_type').val('');
                    $('#lx_feedback_phone').val('');
                    $('#lx_feedback_email').val('');
                    $('#captcha_res2').val('');
                    $('#btn_sendFeedbackToDb').hide();
                    $('#lx_md_send_feedback').modal('hide');
                    lxAlert(data);
                },
                error: function () {
                    $('#captcha_res2').val('');
                    $('#btn_sendFeedbackToDb').hide();
                    grecaptcha.reset(dvCaptcha2);
                    lxAlert('Ошибка при сохранении!');
                }
            });
        }
    }

    function encodeHtmlEntities(str) {
        return String(str).replace(/&/g, '&amp;')
            .replace(/</g, '&lt;')
            .replace(/>/g, '&gt;')
            .replace(/"/g, '&quot;')
            .replace(/'/g, '&#39;');
    }
</script>
<script>
    $('.stopProp').click(function (e) {
        e.stopPropagation();
    });
    function openUrl(url) {
        location.href = url;
    }
    function openInNew(url) {
        window.open(url, "_blank");
    }
    if ("" == "print") {
        $(document).ready(function () {
            window.print();
        });
    }
</script>
<script>
    let lxCompNotEqualId = 0;
    function lxCompNext() {
        if (lxCompNotEqualId < 0) {
            lxCompNotEqualId++;
            scrollText('d_' + lxCompNotEqualId);
        }
    }
    function lxCompPrev() {
        if (lxCompNotEqualId > 1) {
            lxCompNotEqualId--;
            scrollText('d_' + lxCompNotEqualId);
        }
    }
</script>
